证券时报网络版郑重声明经证券时报社授权,证券时报网独家全权代理《证券时报》信息登载业务。本页内容未经书面授权许可,不得转载、复制或在非证券时报网所属服务器建立镜像。欲咨询授权事宜请与证券时报网联系 (0755-83501827) 。 |
广东电力发展股份有限公司发行股份购买资产之重大资产重组暨关联交易报告书摘要(草案) 2011-11-23 来源:证券时报网 作者:
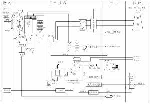
(上接D18版) (7)质量控制情况 石碑山风电按照粤电集团公司的规范化管理要求,于2007年下半年开始了ISO三标体系认证工作,2008年7月23日获得了质量、环境、职业健康体系认证证书,且通过了2008年、2009年和2010年的三标监督审核(外审)。在电力生产经营过程中,守法经营,并依照与广东揭阳市供电局所签的购售电合同和并网协议,服从调度的安排,未出现质量纠纷情况。 (8)主要固定资产及无形资产 ①主要生产设备 截至评估基准日,石碑山风电的发电设备账面净值为47,375万元,评估价值48,636万元,其中主要生产设备情况如下: ■ ②土地使用权 石碑山风电拥有78,750平方米的土地(实际面积以最终测绘为准),截至评估基准日账面净值1,223万元,评估价值1,274万元。其中71,150平方米的土地以出让方式取得土地使用权,用途为148个风机点及2座变电站,详细情况如下: 单位:平方米 ■ 石碑山风电尚有19个风机点合计占地约7,600平方米(实际面积以最终测绘为准),未取得土地使用权证,截至评估基准日的账面价值129万元(主要为取得该等土地发生的前期费用),评估价值129万元。上述土地的土地使用权证正在办理过程中,截至本摘要签署日惠来县国土资源局已受理石碑山风电的用地申请。 根据粤电集团与本公司签署的《发行股份购买资产协议书》,粤电集团承诺,粤电集团将促使石碑山风电于2012年12月31日前取得上述19个风机点所占土地的国有土地使用权证,如石碑山风电因未能在上述期限前取得国有土地使用权证等相关事宜而给石碑山风电带来损失(不包括石碑山风电根据届时的法律法规规定可能需缴付的土地出让金、征地费用及其他相关税费),粤电集团将在依法确定该等事项造成的石碑山风电的实际损失金额后30日内,按其向粤电力转让的石碑山风电40%股权的比例及时、足额地以现金方式向粤电力进行补偿。 ③房屋所有权 截至本摘要签署日,石碑山风电合计拥有9处总计6,476平方米的房屋,截至评估基准日的账面价值1,450万元,评估价值1,701万元,均已取得房屋所有权证。 (9)资质许可 石碑山风电已取得编号为1062607-00108的电力业务许可证,有效期为2007/11/28-2027/11/27。 (四)广东惠州平海发电厂有限公司 1、基本情况 ■ 2、历史沿革 平海电厂成立于2006年7月11日,是一家由粤电集团、广东珠江投资有限公司和惠州市投资竞业有限公司共同投资设立的有限责任公司,注册资本为20,000万元,粤电集团、广东珠江投资有限公司和惠州市投资竞业有限公司分别持有平海电厂45%、40%和15%的股权,各股东均以现金出资。2006年6月21日,广东天华华粤会计师事务所出具了《验资报告》(华粤验字(2006)2018号)。2006年7月11日,惠东县工商行政管理局核准了平海电厂的设立登记。 2007年9月15日,广东珠江投资有限公司与广东华厦电力发展有限公司签订股权转让协议,广东珠江投资有限公司将所持平海电厂40%的股权转让给广东华厦电力发展有限公司,股权转让价款为8,000万元。由于转让双方为同一控制人控制,因此,双方按成本价进行交易。2007年9月19日,惠东县工商行政管理局核准了平海电厂的本次变更登记。 2008年9月16日,平海电厂通过股东会决议,同意平海电厂注册资本增加至32,000万元,各股东同比例增资,并以现金出资。2008年10月16日,广东金桥会计师事务所出具了《验资报告》(金桥验字[2008]0027号)。2008年10月24日,惠东县工商行政管理局核准了平海电厂的本次变更登记。 2009年3月16日,平海电厂通过股东会决议,同意平海电厂注册资本增加至57,000万元,各股东同比例增资,并以现金出资。2009年7月31日,广东金桥会计师事务所出具了《验资报告》(金桥验字[2009]0026号)。2009年8月24日,惠东县工商行政管理局核准了平海电厂的本次变更登记。 2010年3月19日,平海电厂通过股东会决议,同意平海电厂注册资本增加至67,000万元,各股东同比例增资,并以现金出资。2010年1月19日,广东金桥会计师事务所出具了《验资报告》(金桥验字[2010]0005号)。2010年3月19日,惠东县工商行政管理局核准了平海电厂的本次变更登记。 平海电厂通过股东会决议,同意平海电厂注册资本增加至77,000万元,各股东同比例增资,并以现金出资。2010年5月15日,广东金桥会计师事务所出具了《验资报告》(金桥验字[2010]0017号)。2010年5月10日,平海电厂通过股东会决议,同意平海电厂注册资本增加至92,000万元,各股东同比例增资,并以现金出资。2010年7月15日,广东金桥会计师事务所出具了《验资报告》(金桥验字[2010]0024号)。2010年8月16日,惠东县工商行政管理局核准了平海电厂的上述注册资本变更登记。 2010年8月29日,平海电厂通过股东会决议,同意平海电厂注册资本增加至110,000万元,各股东同比例增资,并以现金出资。2010年9月3日,广东金桥会计师事务所有限公司出具了《验资报告》(金桥验字[2010]0028号)。2010年9月30日,惠东县工商行政管理局核准了平海电厂的上述注册资本变更登记。 平海电厂通过股东会决议,同意平海电厂注册资本增加至125,000万元,其中粤电集团增缴注册资本6,750万元,广东华厦电力发展有限公司增缴注册资本6,000万元,惠州市投资竞业有限公司增缴注册资本2,250万元,上述增资均为现金出资。2010年11月24日,广东金桥会计师事务所有限公司出具了《验资报告》(金桥验字[2010]0037号)。平海电厂通过股东会决议,同意平海电厂注册资本增加至135,462.31万元,其中粤电集团增缴注册资本5,264.12万元,广东华厦电力发展有限公司增缴注册资本3,830.12万元,惠州市投资竞业有限公司增缴注册资本1,368.07万元,上述增资均为现金出资。2010年12月17日,广东金桥会计师事务所有限公司出具了《验资报告》(金桥验字[2010]0040号)。平海电厂通过股东会决议,同意平海电厂注册资本增加至137,000万元,其中粤电集团增缴注册资本135.88万元,广东华厦电力发展有限公司增缴注册资本969.88万元,惠州市投资竞业有限公司增缴注册资本431.93万元,上述增资均为现金出资。2010年12月30日,广东金桥会计师事务所有限公司出具了《验资报告》(金桥验字[2010]0041号)。2011年3月4日,惠东县工商行政管理局核准平海电厂的注册资本和实收资本变更为137,000万元。 此后至本摘要签署日,平海电厂股本及股权结构未再发生变化。 3、股权控制关系 截至本摘要签署日,平海电厂股权控制关系如下: ■ 其中,广东华厦电力发展有限公司的实际控制人为朱庆伊,与粤电集团及本公司不存在关联关系。惠州市投资竞业有限公司的实际控制人为惠州市人民政府国有资产监督管理委员会。 4、主要资产的权属状况、主要负债及对外担保情况 (1)资产权属状况 截至2011年6月30日,平海电厂总资产875,768万元,其中:流动资产142,521万元,非流动资产733,247万元。非流动资产中,固定资产701,187万元。 平海电厂上述其拥有的固定资产、无形资产等资产均未设有抵押权或任何其他第三方权益,也没有被司法查封或冻结的情况。平海电厂主要资产权属状况详见本节“8、主营业务具体情况”。 (2)主要负债情况 截至2011年6月30日,平海电厂主要负债情况如下: 单位:万元 ■ (3)对外担保情况 截至2011年6月30日,平海电厂不存在任何对外担保事项。 5、最近两年及一期主营业务发展情况 平海电厂现拥有一期2×100万千瓦的超超临界燃煤机组,立项批复的工程动态投资85亿元。截至本摘要签署日,平海电厂两台机组均已投入试运行。 6、最近两年及一期经审计的主要财务指标 平海电厂最近两年及一期经普华审计的主要财务数据如下: 单位:万元 ■ 平海电厂最近两年及一期主要财务指标如下: ■ 通常情况下,火电厂的建设期在2~3年,项目建设期间产生的管理费用,以及发电机组在试运行或调试期间尚未发挥效益,导致平海电厂2009、2010年亏损。 7、最近三年资产评估、交易、增资或改制情况 除2010年对粤电集团持有的平海电厂45%股权进行的资产评估以及本次交易外,平海电厂最近三年未曾进行资产评估,最近三年内股权转让及增资情况详见本节“2、历史沿革”。本次交易中,平海电厂的资产评估情况详见本章“八、目标资产评估情况”。 平海电厂全部股东权益于2010年6月30日的评估价值为145,968.83万元,本次评估价值为197,305.24万元。两次评估结果的全部股东权益价值差异为51,336.41万元。 两次评估基准日不同,前次评估基准日为2010年6月30日,本次交易评估基准日为2011年6月30日,由于评估基准日的差异,导致两个评估基准日评估价值差异较大的原因来源于两个方面,一是在不同的评估基准日目标公司的资产、负债结构发生了较大的变化;二是两次评估基准日所处期间,由于受到国内生产材料价格波动及贷款利率变动的影响,导致资产价格出现波动,从而引起各类资产重置成本的变化。 8、主营业务具体情况 (1)主要产品及用途 平海电厂主要从事火力发电业务,产品为电力。 (2)工艺流程图 ■ (3)经营模式 投产后,平海电厂对外采购发电所需煤炭,向广东电网公司销售发出的电力,根据单位电量价格与供应的电量计算售电收入,扣除发电以及生产经营的各项成本费用后获得利润。 (4)主要固定资产及无形资产 ①主要生产设备 截至评估基准日,平海电厂的发电设备账面净值为689,497万元,评估价值为742,131万元,其中主要生产设备情况如下: ■ ②土地使用权 平海电厂拥有428,432平方米的土地使用权,全部以出让方式取得,截至评估基准日账面净值为12,622万元,评估价值为12,896万元,详细情况如下: 单位:平方米 ■ ③房屋所有权 截至本摘要签署日,惠州平海已取得所有权证的房屋共计18处,总建筑面积为2,320.52平方米。 除外,平海电厂拥有108座房屋已经签订商品房买卖合同,并已经缴清购房款及契税,目前尚未取得房地产权证。该等房屋面积合计22,847平方米,账面净值10,125万元,评估价值13,274万元。该等房产将根据商品房买卖合同约定办理房屋产权证。 截至本摘要签署日,由于平海电厂2011年上半年刚完成施工建设,尚未进行竣工决算,因此,平海电厂主厂区房产尚未取得房屋产权证。平海电厂目前正在申请办理过程中,根据惠州LNG电厂等电厂过往办理经验,一般情况下取得房屋产权证不存在实质性障碍。根据粤电集团与本公司签署的《发行股份购买资产协议书》,粤电集团承诺,将促使平海电厂于2012年6月30日前取得主厂区房产的房地产权证,如平海电厂因未能在上述期限前取得上述房产的房地产权证相关事宜而给平海电厂带来损失,粤电集团将在依法确定该等事项造成的实际损失金额后30日内,按其向粤电力转让的平海电厂45%股权的比例及时、足额地以现金方式向粤电力进行补偿。 ④海域使用权 平海电厂拥有两块海域使用权证,截至评估基准日的账面净值为5,546万元,评估价值为5,703万元。具体情况如下: 单位:公顷 ■ (5)资质许可 平海电厂已取得编号为1062611-00238的电力业务许可证,有效期为2011/2/14-2031/2/13。 (五)广东红海湾发电有限公司 1、基本情况 ■ 2、历史沿革 红海湾电厂成立于2004年3月30日,是一家由粤电集团、广州发展电力投资有限公司和粤电力共同投资设立的有限责任公司。设立时,红海湾电厂的住所为汕尾滨海小区B区湖滨花园B9栋,注册资本为人民币30,000万元,粤电集团、广州发展电力投资有限公司和粤电力分别持有红海湾电厂50%、25%和25%的股权。2004年2月18日,粤电集团、广州发展电力投资有限公司以及粤电力签署了红海湾电厂的公司章程。 2004年5月10日,红海湾电厂通过股东会决议,同意公司尽快聘请审计机构对公司各股东垫付的前期资金进行审计,审计后的资金连同利息(计算到2004年7月1日)经各股东确认后转为股东的注册资本出资,其他股东按原出资比例缴齐注册资本。2004年10月26日,红海湾电厂通过股东会决议,同意将公司注册资本变更为119,514万元并相应修改公司章程。深圳财信会计师事务所于2004年10月26日出具的《验资报告》(深财验字[2004]第823号)。2004年10月29日,汕尾市工商行政管理局为红海湾电厂核发了本次注册资本变更后的4415001000530号《企业法人营业执照》,红海湾电厂的注册资本变更为119,514.4万元。 2003年9月10日,汕头市人民政府下发汕府函[2003]62号《关于我市参股汕尾电厂项目有关事宜的函》,汕尾市人民政府决定授权汕尾市资产经营管理公司作为投资方,参股10%投资汕尾电厂建设项目。2004年11月26日,粤电集团与汕尾市资产经营管理公司签订《出资权益转让协议》,粤电集团将其持有红海湾电厂10%的股权转让给汕尾市资产经营管理公司,转让价格按照粤电集团转让的出资权益相对应的出资额加上相应的资金成本确定为122,274,336元。2004年12月24日,红海湾电厂通过股东会决议,确认自2004年12月10日起粤电集团将其持有红海湾电厂10%的股权转由汕尾市资产经营管理公司持有,并按照变更后的股权比例对红海湾电厂章程进行相应修改。 2008年5月12日,红海湾电厂通过股东会决议,同意各股东按投资比例向红海湾电厂增资5亿元,其中粤电集团增资2亿元,广州发展电力投资有限公司增资1.25亿元,粤电力增资1.25亿元,汕尾市资产经营管理公司增资0.5亿元。2009年7月3日,红海湾电厂通过股东会决议:同意各股东按投资比例向红海湾电厂增资5亿元,其中粤电集团增资2亿元,广州发展电力投资有限公司增资1.25亿元,粤电力增资1.25亿元,汕尾市资产经营管理公司增资0.5亿元,并相应修改公司章程。2009年7月3日,粤电集团、广州发展电力投资有限公司、粤电力、汕尾市资产经营管理公司签署了红海湾电厂新的公司章程。根据汕尾市诚信合伙会计师事务所于2009年7月30日出具的《验资报告》(汕诚会验字[2008]第071号),截至2008年11月28日止,红海湾电厂已收到粤电集团缴纳的新增货币出资20,000万元、粤电力缴纳的新增货币出资12,500万元、广州发展电力投资有限公司缴纳的新增货币出资12,500万元以及汕尾市资产经营管理公司缴纳的新增货币出资5,000万元,共计50,000万元。红海湾电厂累计实收资本为204,975万元。根据汕尾市诚信合伙会计师事务所于2009年8月11日出具的《验资报告》(汕诚会验字[2009]第034号),截至2009年7月30日止,红海湾电厂已收到粤电集团缴纳的新增货币出资20,000万元、粤电力缴纳的新增货币出资12,500万元以及广州发展电力投资有限公司缴纳的新增货币出资12,500万元,共计45,000万元。红海湾电厂累计实收资本为249,975万元。2009年8月24日,汕尾市工商行政管理局核准了红海湾电厂上述注册资本和实收资本的变更登记。 2010年4月26日,红海湾电厂通过股东会决议:同意各股东按投资比例向红海湾电厂增资2亿元,其中粤电集团增资0.8亿元,广州发展电力投资有限公司增资0.5亿元,粤电力增资0.5亿元,汕尾市资产经营管理公司增资0.2亿元。根据汕尾市诚信合伙会计师事务所于2010年6月17日出具的《验资报告》(汕诚会验字[2010]第035号),截至2010年6月9日止,红海湾电厂已收到粤电集团缴纳的新增货币出资80,00万元、粤电力缴纳的新增货币出资50,00万元、广州发展电力投资有限公司缴纳的新增货币出资50,00万元以及汕尾市资产经营管理公司缴纳的新增货币出资2,000万元,共计20,000万元。红海湾电厂累计实收资本为274,975万元。2010年7月16日,汕尾市工商行政管理局核准了红海湾电厂上述注册资本和实收资本的变更登记。 此后至本摘要签署日,红海湾电厂股本及股权结构未再发生变化。 3、股权控制关系 截至本摘要签署日,红海湾电厂股权控制关系如下: ■ 4、主要资产的权属状况、主要负债及对外担保情况 (1)资产权属状况 截至2011年6月30日,红海湾电厂总资产1,162,752万元,其中:流动资产177,903万元,非流动资产984,849万元。非流动资产中,固定资产952,680万元。 红海湾电厂上述其拥有的固定资产、无形资产等资产均未设有抵押权或任何其他第三方权益,也没有被司法查封或冻结的情况。红海湾电厂主要资产权属状况详见本节“8、主营业务具体情况”。 (2)主要负债情况 截至2011年6月30日,红海湾电厂主要负债情况如下: 单位:万元 ■ (3)对外担保情况 截至2011年6月30日,红海湾电厂不存在任何对外担保事项,也不存在未经披露的任何协议安排或其他方式的任何不当利益输送行为。 5、最近两年及一期主营业务发展情况 红海湾电厂现拥有2×60万千瓦的超临界燃煤机组和2×66万千瓦的超超临界燃煤机组,1、2号机组分别于2008年1月、2008年2月投入商业运营,项目总投资为61.99亿元;红海湾电厂3号、4号机组已分别于2011年1月和2011年5月顺利通过168小时试运行,项目总投资为49.87亿元。 6、最近两年及一期经审计的主要财务指标 红海湾电厂最近两年及一期经普华审计的主要财务数据如下: 单位:万元 ■ 红海湾电厂2010年度实现净利润27,993万元,2011年上半年实现净利润1,403万元,出现大幅波动的主要原因为红海湾电厂2011年上半年3号、4号机组由在建工程转入固定资产,但由于未完成并网发电手续,因此尚未投产。但该等发电机组转固后已开始计提折旧导致折旧费用较2010年同期大幅增加7,357万元,该等发电机组建设资金的借款费用停止资本化导致财务费用较2010年同期大幅增加4,065万元。此外,燃煤价格上涨也是红海湾电厂业绩大幅波动的重要因素之一。随着该等发电机组全部投入商业运行,红海湾电厂的盈利能力将逐步充分显现。 红海湾电厂最近两年及一期主要财务指标如下: ■ 7、最近三年资产评估、交易、增资或改制情况 除本次交易中进行资产评估外,红海湾电厂最近三年未曾进行资产评估,本次交易的资产评估情况详见本章“八、目标资产评估情况”。红海湾电厂最近三年股权转让及增资情况详见本节“2、历史沿革”。 8、主营业务具体情况 (1)主要产品及用途 红海湾电厂主要从事火力发电业务,产品为电力。 (2)工艺流程图 ■ (3)经营模式 红海湾电厂向广东省电力工业燃料有限公司采购发电所需煤炭,向广东电网公司销售发出的电力,根据单位电量价格与供应的电量计算售电收入,扣除发电以及生产经营的各项成本费用后获得利润。 (4)主要产品产销情况 ①产能产量情况 ■ ②销售收入情况 红海湾电厂发出的电力全部销售给广东电网公司,2009年、2010年和2011年上半年的电力销售金额分别为267,583万元、285,994万元和141,688万元。 ③执行电价情况 根据2008年7月1日广东省物价局发布的《关于提高上网电价的通知》(粤价【2008】230号),红海湾电厂调整后含税上网电价为:#1、#2机组0.4642元/千瓦时。根据2008年9月11日广东省物价局发布的《关于调整燃煤机组上网电价的通知》(粤价【2008】309号),红海湾电厂调整后含税上网电价为:#1、#2机组0.4892元/千瓦时。根据2009年12月2日广东省物价局发布的《关于调整上网电价的通知》(粤价【2009】277号),红海湾电厂的含税上网电价为:#1、#2机组0.5042元/千瓦时。 (5)产品的主要原材料、能源及供应情况 红海湾电厂生产所需的主要原材料为煤炭,最近两年及一期的煤炭采购金额、燃料占成本比重及价格变动趋势如下: ■ (6)安全生产及环保治理 ①安全生产情况 汕尾市安全生产监督管理局于2011年10月14日出具《证明》:“广东红海湾发电有限公司严格按照安全生产相关法律、法规的要求进行生产经营和管理,严格遵守安全生产属地管理和行业管理。公司自成立以来未发生较大以上生产安全事故,未因违反有关安全生产、管理方面的法律法规而受到处罚。” 红海湾电厂最近两年及一期的安全生产费用投入及2011年的预计投入情况如下: 单位:万元 ■ ②环保治理情况 汕尾市环境保护局于2011年10月28日出具《环保证明》:“广东红海湾发电有限公司自成立以来生产经营活动符合国家有关环境保护的法律、法规,环境影响评价已获得环境保护行政主管部门的批准,环保治理设施已通过环保部门验收,主要污染物排放符合国家和地方规定的相关标准,未因违反环境保护法律、法规而受到环境保护行政主管部门的行政处罚。” 红海湾电厂最近两年及一期的环保污染治理费用投入及2011年的预计投入情况如下: 单位:万元 ■ (7)质量控制情况 红海湾电厂建立了技术监督管理制度,成立了技术监督领导小组和技术监督办公室,由主管生产的副总经理担任技术监督领导小组组长,各级专业技术人员担任技术监督负责人。公司设立了电能质量技术监督负责人,负责全面负责日常电能质量管理的组织、监督、检查和协调工作。 红海湾电厂建立了由管理标准、技术标准、工作标准等三大标准模块构成的企业管理标准体系,建立了《电能质量技术监督标准》、《生产调度管理标准》、《运行分析管理标准》、《生产经营活动分析管理标准》、《发电设备可靠性管理标准》、《可靠性管理标准》、《计量管理标准》等有关电能质量管理制度及标准,详细规定了电能质量管理构成、各级管理部门及人员的职责、管理的内容、要求、奖惩等。 为满足电网对发电厂的远方调度和机组负荷控制功能,红海湾电厂每台机组配备了AGC和一次调频系统。为进一步完善机组的远方监测和无功调度的要求,增加了电厂同步相量测量系统(PMU),实现了电厂电力系统同步相量实时动态监测;增加了电厂AVC电压自动调控系统,实现AVC子站系统与中调AVC主站系统互联,自动调节机组无功功率,保证了向电网输出电能的质量。 (8)主要固定资产及无形资产 ①主要生产设备 截至2011年6月30日,发电设备账面净值为628,432万元,评估价值为681,797万元,其中主要生产设备情况如下: ■ ②土地使用权 截至本摘要签署日,红海湾电厂拥有1,122,950.8平方米的土地使用权,截至评估基准日的土地使用权账面净值为12,278万元,评估价值为20,741万元,详细情况如下: 单位:平方米 ■ 其中: 红海湾电厂位于海滨大道(二期)南段西侧51,388平方米土地的权利人名称为汕尾发电厂筹建组(汕尾发电厂即红海湾电厂),截至评估基准日账面净值3,040万元,评估价值3,537万元。红海湾电厂目前正在申请办理权利人名称变更手续,该土地由汕尾发电厂筹建组变更为红海湾电厂不存在实质性法律障碍。同时,根据粤电集团与本公司签署的《发行股份购买资产协议书》,粤电集团承诺,将促使红海湾电厂于2012年6月30日前将前述土地的权利人名称由汕尾发电厂筹建组变更为红海湾电厂,如红海湾电厂因未能在上述期限前完成该等土地的权利人名称变更手续而给红海湾电厂带来损失,粤电集团将在依法确定该等事项造成的红海湾电厂的实际损失金额后30日内,按其向粤电力转让的红海湾电厂40%股权的比例及时、足额地以现金方式向粤电力进行补偿。 红海湾电厂拥有的主厂区汕尾红海湾开发区白沙湖畔1,071,562.8平方米土地为划拨用地,截至评估基准日账面净值9,238万元,评估价值17,204万元,目前正在依法办理该宗土地的使用权出让手续。根据粤电集团与本公司签署的《发行股份购买资产协议书》,粤电集团承诺将促使红海湾电厂于2012年6月30日前取得主厂区1,071,562.8平方米土地的出让用地国有土地使用权证,如果因红海湾电厂未能在上述期限前取得上述土地的出让用地国有土地使用权证等相关事宜而给红海湾电厂带来损失(不包括红海湾电厂根据届时的法律法规规定可能需缴付的土地出让金、征地费用及其他相关税费),粤电集团将在依法确定该等事项造成的红海湾电厂实际损失金额后30日内,按其向粤电力转让的红海湾电厂40%股权的比例及时、足额地以现金方式向粤电力进行补偿。 ③房屋所有权 红海湾电厂拥有1处2,805.6平方米的房屋登记在汕尾发电厂筹建组名下,截至评估基准日账面净值460万元,评估价值724万元。红海湾电厂目前正在申请办理权利人名称变更手续,该房产由汕尾发电厂筹建组变更为红海湾电厂不存在实质性法律障碍。该房产详细情况如下表所示: 单位:平方米 ■ 根据粤电集团与本公司签署的《发行股份购买资产协议书》,粤电集团承诺将促使广东红海湾于2012年6月30日前将汕尾市滨海小区B区湖滨花园B9栋房产的权利人由汕尾发电厂筹建组变更为红海湾电厂,如红海湾电厂因未能在上述期限前完成该等房产的权利人名称变更手续而给红海湾电厂带来损失,粤电集团将在依法确定该等事项造成的红海湾电厂的实际损失金额后30日内,按其向粤电力转让的红海湾电厂40%股权的比例及时、足额地以现金方式向粤电力进行补偿。 除此之外,红海湾电厂3号、4号机组刚完成施工建设,尚未进行竣工决算,其主厂区以及生活区房产均尚未办理产权证。红海湾电厂正在申请办理主厂区及生活区房屋产权证。根据惠州LNG电厂等电厂过往办理经验,一般情况下取得上述房产的产权证不存在实质性障碍。同时,根据粤电集团与本公司签署的《发行股份购买资产协议书》,粤电集团承诺,粤电集团将促使红海湾电厂于2012年12月31日前取得主厂区以及生活区房产的房地产权证,如红海湾电厂因未能在上述期限前取得上述房产的房地产权证相关事宜而给红海湾电厂带来损失,粤电集团将在依法确定该等事项造成的红海湾电厂的实际损失金额后30日内,按其向本公司转让的红海湾电厂40%股权的比例及时、足额地以现金方式向本公司进行补偿。 (9)资质许可 红海湾电厂1、2号机组已取得编号为1062606-00049的电力业务许可证,有效期为2006/12/29-2026/12/28;3号、4号机组的电力业务许可证正在办理过程中。根据粤电集团与本公司签署的《发行股份购买资产协议书》,粤电集团承诺将促使红海湾电厂于2012年6月30日前取得3、4号机组的《电力业务许可证》,并承诺如红海湾电厂因未取得前述批准事项导致其未能继续正常生产经营且给其带来损失,粤电集团将在依法确定该等事项造成的红海湾电厂的实际损失金额后30日内,按其向本公司转让的红海湾电厂40%股权的比例及时、足额地以现金方式向本公司进行补偿。 (六)广东国华粤电台山发电有限公司 1、基本情况 ■ 2、历史沿革 台山电厂成立于2001年3月28日,是一家由北京国华电力有限责任公司和广东省电力集团公司共同投资设立的有限责任公司,注册资本为500万元,北京国华电力有限责任公司和广东省电力集团公司分别持有台山电厂80%和20%的股权,各股东均以现金出资。2001年3月28日,台山市龙河会计师事务所出具了《验资报告》(台龙会内验字[2001]21号)。2001年3月28日,台山市工商行政管理局向台山电厂核发了4407811008088号《企业法人营业执照》。 2001年,根据《关于同意广东省电力体制改革政企分开厂网分开改革实施方案的批复》(粤府函[2001]252号)以及《关于同意广东省粤电资产经营有限公司章程和组建方案的批复》(粤经贸监督[2001]637号),广东电力省集团公司分立为广东广电集团有限公司和广东省粤电资产经营有限公司,原广东省电力集团公司持有的台山电厂20%股权划归广东省粤电资产经营有限公司。 根据台山市公正会计师事务所于2002年12月9日出具的《验资报告》(公正验字[2002]141号),台山电厂的注册资本由500万元增加至31,750万元,各股东同比例增资。2003年2月11日,台山市工商行政管理局向台山电厂核发了本次变更后的《企业法人营业执照》。 2003年5月28日,根据《关于同意广东省粤电资产经营有限公司变更名称的函》(粤经贸函[2003]383号),广东省粤电资产经营有限公司更名为广东省粤电集团有限公司。 根据台山市龙河会计师事务所于2003年12月10日出具的《验资报告》(台龙会内验字[2003]72号),台山电厂注册资本由3.175亿元增加为12.425亿元,各股东同比例增资,并均以现金出资。2005年3月23日,台山市工商行政管理局向台山电厂核发了本次变更后的《企业法人营业执照》。 2004年3月30日,台山电厂通过股东会决议,同意公司注册资本由12.425亿元增加至17亿元,各股东同比例增资,并均以现金出资。2004年8月27日,广东天华华粤会计师事务所出具了《验资报告》(华粤验字[2004]2062号)。 2004年11月8日,神华集团有限责任公司改制重组并设立中国神华能源股份有限公司,北京国华电力有限责任公司拥有的80%台山电厂资产注入中国神华能源股份有限公司,中国神华能源股份有限公司变更为台山电厂的股东。 2005年8月15日,台山电厂通过股东会议,同意公司的的注册资本由17亿元增加至25.875亿元,各股东同比例增资,并均以现金出资。2006年4月9日,台山市龙河会计师事务所出具了《验资报告》(台龙会内验字[2006]第001号)。2006年8月23日,台山市工商行政管理局向台山电厂核发了本次变更后的《企业法人营业执照》。 2006年11月26日,台山电厂通过股东会决议,同意公司的注册资本由25.875亿元增加至27亿元,各股东同比例增资,并均以现金出资。2006年10月29日,台山市龙河会计师事务所出具了《验资报告》(台龙会内验字[2006]081号)。 此后至本摘要签署之日,台山电厂的股本及股权结构没有发生变化。 3、股权控制关系 截至本摘要签署日,台山电厂的股权控制关系如下: ■ 其中,中国神华能源股份有限公司的实际控制人为国务院国有资产管理监督委员会。 4、主要资产的权属状况、主要负债及对外担保情况 (1)资产权属状况 截至2011年6月30日,台山电厂总资产1,673,928万元,其中:流动资产281,730万元,非流动资产1,392,198万元。非流动资产中,固定资产1,180,543万元,在建工程191,676万元。 截至2011年6月30日,台山电厂以三号及五号机组50%的电费收费权作为质押物,质押借款金额为28.8亿元。考虑到:①台山电厂最近两年及一期的资产负债率、流动比率、速动比率(具体情况详见本节“6、最近三年经审计的主要财务指标”)在行业内处于较为合理的水平,具有良好的偿债能力;②台山电厂2011年上半年的利息保障倍数为5.12倍,具有较强的偿还借款利息能力;③台山电厂长期以来一直与各金融机构保持着长期良好的合作关系,截至2011年6月30日尚有未使用的银行授信额度510,820万元;④台山电厂具有较好的盈利能力,能够从未来的经营活动中取得稳定的现金流入,因此,不会因为上述质押事项导致台山电厂的资产权属存在重大不确定性。 除此之外,台山电厂拥有的固定资产、无形资产等资产均未设有抵押权或任何其他第三方权益,也没有被司法查封或冻结的情况。台山电厂主要资产权属状况详见本节“8、主营业务具体情况”。 (2)主要负债情况 截至2011年6月30日,台山电厂主要负债情况如下: 单位:万元 ■ (3)对外担保情况 截至2011年6月30日,台山电厂不存在任何对外担保事项。 5、最近两年及一期主营业务发展情况 台山电厂现拥有5×60万千瓦的亚临界燃煤机组,分别于2003年12月、2004年4月、2006年1月、2006年2月和2006年10月投入商业运营。台山电厂二期6号机组已完成施工建设,具备运营条件,并在广东省电力缺口较大的月份临时投入生产,尚未正式投产;7号机组尚在建设过程中。台山电厂最近两年及一期的主营业务发展情况详见本节“8、主营业务具体情况”。 6、最近两年及一期经审计的主要财务指标 台山电厂最近两年及一期经普华审计的主要财务数据如下: 单位:万元 ■ 台山电厂最近两年及一期主要财务指标如下: ■ 7、最近三年的资产评估、交易、增资或改制情况 除本次以及2010年对粤电集团持有的台山电厂20%股权进行的资产评估外,台山电厂最近三年未曾进行资产评估,最近三年内股权转让及增资情况详见本节“2、历史沿革”。本次交易中,台山电厂的资产评估情况详见本章“八、目标资产评估情况”。 台山电厂全部股东权益于2010年6月30日的评估价值为719,420.42万元,本次评估价值为853,465.13万元。两次评估结果差异为134,044.71万元。 两次评估基准日不同,前次评估基准日为2010年6月30日,本次交易评估基准日为2011年6月30日,由于评估基准日的差异,导致两个评估基准日评估价值差异较大的原因来源于两个方面,一是在不同的评估基准日目标公司的资产、负债结构发生了较大的变化;二是两次评估基准日所处期间,由于受到国内生产材料价格波动及贷款利率变动的影响,导致资产价格出现波动,从而引起各类资产重置成本的变化。 8、主营业务具体情况 (1)主要产品及用途 台山电厂主要从事火力发电业务,产品为电力。 (2)工艺流程图 ■ (3)经营模式 台山电厂向神华集团有限责任公司采购发电所需煤炭,向广东电网公司销售发出的电力,根据单位电量价格与供应的电量计算售电收入,扣除发电以及生产经营的各项成本费用后获得利润。 (4)主要产品产销情况 ①产能产量情况 台山电厂最近两年及一期的电力生产情况如下: ■ ②销售收入情况 台山电厂发出的电力全部销售给广东电网公司,2009年、2010年和2011年上半年的电力销售金额分别为726,850万元、780,824万元和440,205万元。 ③执行电价情况 根据2008年7月1日广东省物价局发布的《关于提高上网电价的通知》(粤价【2008】230号),台山电厂调整后含税上网电价为:#1、#2机组0.4643元/千瓦时,#3、#4、#5机组0.4792元/千瓦时。 根据2008年9月11日广东省物价局发布的《关于调整燃煤机组上网电价的通知》(粤价【2008】309号),台山电厂调整后含税上网电价为:#1、#2机组0.4893元/千瓦时,#3、#4、#5机组0.5042元/千瓦时。 根据2009年12月2日广东省物价局发布的《关于调整上网电价的通知》(粤价【2009】277号),台山电厂的含税上网电价为:#1、#2机组0.4813元/千瓦时,#3、#4、#5机组0.4962元/千瓦时。 (5)产品的主要原材料、能源及供应情况 台山电厂生产所需的主要原材料为煤炭,全部采购自神华集团有限责任公司,最近两年及一期的煤炭采购金额、燃料占成本比重及价格变动趋势如下: ■ (6)安全生产及环保治理 ①安全生产情况 台山市安全生产监督管理局于2011年8月6日出具《安全生产经营证明》:“兹证明广东国华粤电台山发电有限公司按照国家安全生产管理方面的相关法律、法规的要求进行生产经营,其生产经营符合法律、法规的要求,自成立以来无较大以上安全生产事故,未有因违反有关安全生产管理方面的法律法规而受到行政处罚。” 台山电厂最近两年及一期的安全生产费用投入及2011年的预计投入情况如下: 单位:万元 ■ ②环保治理情况 台山市环境保护局于2011年8月9日出具《环保证明》:“广东国华粤电台山发电有限公司自成立以来生产经营活动符合国家有关环境保护的法律、法规,环境评价已获得环境保护行政主管部门的批准,环保设施已通过环境保护行政主管部门的验收,主要污染源排放的污染物符合指标符合国家和地方规定的相关排放标准,未因违反环保法律、法规而受到行政处罚。” 台山电厂最近两年及一期的环保污染治理费用投入及2011年的预计投入情况如下: 单位:万元 ■ (7)质量控制情况 台山电厂按照依法监督、分级管理的原则,建立了“质量、标准、计量”三位一体的电能质量技术监督体系,由生产副总经理担任技术监督领导小组组长,设立公司级、部门级、班组级三级管理的电能质量监督管理网络,由生产技术部负责日常监督工作,按监督范围组成各级专业监督小组,负责履行具体技术监督职责。台山电厂在发电运行部设立电能质量技术监督工程师,全面负责日常电能质量管理的组织、监督、检查和协调工作。 台山电厂的电力生产销售按照《中华人民共和国电力法》进行,电力并网按照国家电监会发布的《发电厂并网运行管理规定》进行,电能质量标准按照《电能质量技术监督规程 DL/T 1053-2007》和国家标准《电能质量》系列进行管理。台山电厂制定了《电能监督技术标准》、《电测监督技术标准》、《技术监督管理标准》、《运行方式管理制度》、《运行调度管理制度》、《运行监控及调整管理制度》、《技术改进管理标准》、《节能管理制度》、《维修管理制度》、《安全生产奖惩管理标准》、《反事故技术措施》等有关电能质量管理制度及标准,详细规定了电能质量管理构成、各级管理部门及人员的职责、管理的内容、要求、奖惩等内容。 为满足电网对机组的远方调度和机组负荷控制功能,台山电厂五台机组均配备了AGC和一次调频系统,可实现电网调度远方调频和负荷控制,保证电能质量符合电网需求。为满足电网对机组的远方监测和无功调度的要求;配备同步相量测量系统(PMU),实现了电厂电力系统同步相量实时动态监测;在广东电网直调电厂中率先配备AVC电压自动调控系统,实现AVC子站系统与中调AVC主站系统互联,自动调节机组无功功率,保证了向电网输出电能的质量,使电能质量符合国家相关标准。 (8)主要固定资产及无形资产 ①主要生产设备 截至评估基准日,台山电厂的发电设备账面净值821,430万元,评估价值927,989万元,其中主要生产设备情况如下: ■ ②土地使用权 台山电厂拥有12宗总计4,781,508平方米的土地,截至评估基准日账面价值4,400万元、评估价值95,621万元。其中;1宗地以出让方式取得土地使用权,面积1,380,208平方米;11宗土地以划拨方式取得土地使用权,面积合计3,401,300平方米,截至评估基准日的账面价值930万元,评估价值60,770万元。 台山电厂控股股东为中国神华能源股份有限公司(A股代码:601088;H股代码:01088),粤电集团为参股方。国土资源部曾于2004年9月22日出具了《关于核准神华集团公司改制土地资产处置总体方案的复函》(国土资函【2004】329号),向神华集团公司批复“你公司的控股子公司、参股公司使用的土地,在本次重组改制上市中使用者和土地用途等均不发生变化,可不进行处置”。由于台山电厂厂区用地的使用者和土地用途均未发生变化,并取得了国土资源部的相关批复,因此保留划拨用地,未做处置。 粤电集团已就台山电厂划拨地事宜在与本公司签订的《发行股份购买资产协议书》中明确承诺,如因其将所持台山电厂20%股权向本公司转让或因法律法规、国家政策变化等原因导致台山电厂所拥有的划拨土地使用权需办理相关出让手续及/或导致台山电厂无法正常使用该等划拨土地相关事宜而给台山电厂带来损失(不包括台山电厂根据届时的法律法规规定可能需缴付的土地出让金、征地费用及其他相关税费),粤电集团将在依法确定该等事项造成的台山电厂的实际损失金额后30日内,按其向粤电力转让的台山电厂20%股权的比例及时、足额地以现金方式向本公司进行补偿。 ③房屋所有权 台山电厂共拥有123处房屋,总建筑面积344,524平方米(实际面积以最终测绘为准),截至评估基准日的账面价值123,906万元,评估价值169,565万元。截至本摘要签署日,其中79处总计193,133平方米的房屋已取得所有权证。 截至本摘要签署日,台山电厂尚有44处房屋未取得所有权证(实际面积以最终测绘为准),该等房产的总面积为151,392平方米,账面价值41,703万元,评估价值46,562万元。 台山电厂上述未办证房产已经合法有效地取得该等建筑物所属土地的使用权证书并一直事实上独占享有该等房屋建筑物的所有权及各项权能,其产权不存在任何争议和纠纷。因此,目前未办理房屋所有权证并不会对台山电厂生产经营产生重大不利影响。台山电厂拟在二期工程建成投产后统一办理上述房屋产权证。 粤电集团在其与本公司签订的《发行股份购买资产协议书》中明确承诺,如台山电厂因未办理46处房产的房屋所有权证或房地产权证相关事宜而给台山电厂带来损失,粤电集团将在依法确定该等事项造成的台山电厂的实际损失金额后30日内,按其向本公司转让的台山电厂20%股权的比例及时、足额地以现金方式向本公司进行补偿。 ④海域使用权 台山电厂拥有两处海域使用权,截至评估基准日的账面净值为669万元,评估价值为6,266万元,具体情况如下: 单位:公顷 ■ (9)资质许可 台山电厂已取得编号为1862606-00030的电力业务许可证,有效期为2006/7/25-2026/7/24。 (七)广东省电力工业燃料有限公司 1、基本情况 ■ 2、历史沿革 燃料公司成立于1987年9月17日,是一家经广东省经济委员会批准设立的全民所有制企业,燃料公司成立时名称为“广东省电力工业局燃料公司”。1987年8月18日,广东省经济委员会出具经能函[1987]91号《关于同意成立省电力工业局燃料公司的复函》,同意广东省电力工业局成立燃料公司。根据广东省电力工业局于1987年8月26日出具的《企业资金信用证明》,燃料公司的资金总额为12.9万元,为流动资金,全部为广东省电力工业局拨入。1987年9月17日,广州市工商行政管理局向燃料公司核发了注册号为穗字07720号《营业执照》。 根据1990年7月17日广东省电力工业局出具的《资金信用证明》,燃料公司的资金总额为64.8万元,其中固定资金51.9万元,流动资金12.9万元,全部为广东省电力工业局拨入。该《资金信用证明》已于1990年7月26日取得广东省财政厅的确认。1990年8月16日,广东省工商行政管理局向燃料公司下发《企业法人换照核准通知书》,并核发了注册号为19032603-5号《企业法人营业执照》。根据该营业执照,燃料公司的注册资金为65万元。 根据1992年3月21日广东省电力工业局出具的《资金信用证明》,燃料公司的资金总额为90万元,其中固定资金77万元,流动资金13万元。根据燃料公司1992年4月1日的粤国资登字(1992)79号《国有资产产权登记表》,广东省国有资产管理办公室于1992年4月9日核定燃料公司的国有资金为155万元,其中固定基金77万元,流动基金13万元,专项基金65万元。根据广东省工商行政管理局于1992年4月15日核发的注册号为19032603-5号《企业法人营业执照》,燃料公司的注册资金变更为90万元、名称变更为“广东省电力工业燃料公司”。 根据燃料公司于1994年4月12日填报的编号为234401020803068的《国有资产产权登记表》,广东省国有资产管理办公室于1994年3月14日核定燃料公司实收资本为350万。1994年4月5日,广东省工商行政管理局核发了注册号为19032603-5号《企业法人营业执照》,燃料公司的注册资金变更为350万元。 根据燃料公司1999年10月26日填报的《企业国有资产变动产权登记表》,广东省电力集团公司向燃料公司追加投资8,879万元,其在燃料公司的总投资金额为9,234万元,持有燃料公司100%的股权比例。根据《企业国有资产变动产权登记表》,1999年11月4日,主管部门广东省电力工业局同意注册资金变动。同日,广东省国有资产管理局同意燃料公司的实收资本变更为9,234万元。1999年11月17日,广东省工商行政管理局向燃料公司核发了4400001002485号《企业法人营业执照》,燃料公司的注册资金变更为9,234万元。 根据广东省人民政府2001年6月14日签发的粤府函[2001]252号《关于同意广东省电力体制改革政企分开厂网分开改革实施方案的批复》,以及广东省经济贸易委员会2001年7月23日签发的粤经贸监督[2001]637号《关于同意广东省粤电资产经营有限公司章程和组建方案的批复》,原广东电力集团分立为广东广电集团有限公司和广东省粤电资产经营公司,原广东电力集团持有的燃料公司100%的股权划归广东省粤电资产经营有限公司。广东省粤电资产经营有限公司成为燃料公司的股东。根据燃料公司于2002年5月9日填报的《企业国有资产变动产权登记表》,变动后的出资人为广东省粤电资产经营有限公司,投资金额为9,234万元,股权比例为100%。2002年6月4日,广东省工商行政管理局向燃料公司换发了变更后的4400001002485号《企业法人营业执照》。 根据粤电集团2005年12月23日的《关于同意盈余公积转增注册资本的批复》(粤电财[2005]224号),粤电集团同意燃料公司将盈余公积123,108,531.04元转增注册资本,转增后的注册资金为215,448,262.91元。2005年12月30日,燃料公司向广东省工商行政管理局申请变更登记。根据燃料公司的《企业国有资产变动产权登记表》,变动后粤电集团的投资金额为21,544.8万元,股权比例为100%。2006年1月25日,广东省国资委审核燃料公司实收资本为21,544.8万元,其中国有法人资本为21,544.8万元。2006年2月5日,广东省工商行政管理局向燃料公司核发了新的《企业法人营业执照》(注册号:4400001002485),显示燃料公司的注册资金为21544.8万元。 粤电集团2007年10月编制了《燃料公司改制预案》,采取定向增资扩股方式引入本公司成为燃料公司的新股东。改制后,粤电集团公司绝对控股燃料公司,剩余股权由本公司持有。改制以燃料公司经评估后的净资产为依据,按股权比例计算确定增资价款,并以2007年9月30日为净资产评估基准日。2007年10月31日,广东省工商行政管理局作出了粤名核变核内字[2007]第0700079941号《企业名称核准变更登记通知书》,核准后的企业名称为“广东省电力工业燃料有限公司”。2007年11月6日,广州中天衡评估有限公司出具了中天衡评字[2007]第098号《资产评估报告》。根据该评估报告,经评估后的燃料公司净资产价值为62,977.86万元。2007年11月10日,粤电集团下发《关于燃料公司改制的意见》,同意燃料公司通过增资扩股方式改制为有限责任公司。改制后燃料公司股东为二个企业法人,注册资本为63,000万元,其中粤电集团以改制前净资产40,950万元作为出资,占燃料公司出资的65%;本公司以货币22,050万元出资,占35%;同意以2007年9月30日作为企业改制的评估基准日,评估基准日的总资产为120,993.39万元,总负债为79,557.28万元,评估后的净资产为62,977.86万元;同意以40,950万元作为对改制后燃料公司的出资,其余转入改制后燃料公司资本公积;改制前企业的债权债务由改制后的公司承担。2007年11月26日,广东省国资委下发了粤国资函[2007]546号《关于燃料公司改制方案的批复》,同意通过协议方式增资扩股方式将燃料公司改制为有限责任公司,改制后粤电集团持有燃料公司65%的股份,本公司持有燃料公司35%的股份。2007年12月7日,粤电集团与本公司签署了燃料公司章程。2007年12月10日,万隆会计师事务所有限公司出具了万会业字[2007]第1448号《验资报告》。根据该《验资报告》,截至2007年12月10日,燃料公司已收到粤电集团以其拥有的改制前燃料公司基准日为2007年9月30日经审计的净资产414,361,088.67元折合为实收资本40,950万元(余额4,861,088.67元计入资本公积),以及本公司缴纳的出资合计人民币22,050万元。本公司实际缴纳出资额为33,923.43万元,其中22,050万元计入实收资本,余额11,873.43万元计入资本公积。根据燃料公司的《企业国有资产变动产权登记表》,燃料公司改制后的出资人为粤电集团和本公司,广东省国资委于2007年12月19日出具的审核意见确认燃料公司变动后的实收资本为63,000万元,其中国有法人资本为409,500万元。2007年12月21日,广东省工商行政管理局向燃料公司核发了注册号为440000000025601的《企业法人营业执照》,改制后燃料公司为有限责任公司,注册资本为63,000万元。 此后至本摘要签署日,燃料公司股本及股权结构未再发生变化。 3、股权控制关系 ■ 4、主要资产的权属状况、主要负债及对外担保情况 (1)资产权属状况 截至2011年6月30日,燃料公司总资产233,578万元,其中:流动资产226,723万元,非流动资产6,855万元。非流动资产中,长期股权投资4,829万元,固定资产1,633万元。 燃料公司上述其拥有的固定资产、无形资产等资产均未设有抵押权或任何其他第三方权益,也没有被司法查封或冻结的情况。燃料公司厂主要资产权属状况详见本节“8、主营业务具体情况”。 (2)主要负债情况 截至2011年6月30日,燃料公司主要负债情况如下: 单位:万元 ■ 截至2011年6月30日,燃料公司无短期和长期借款。 (3)对外担保情况 截至2011年6月30日,燃料公司不存在任何对外担保事项。 5、最近两年及一期主营业务发展情况 燃料公司主要从事煤炭及燃油采购和销售业务,向燃料生产企业采购煤炭和燃油,主要向粤电集团下属火电企业销售,同时也向少部分其他外部客户进行销售。燃料公司最近两年及一期的主营业务发展情况详见本节“8、主营业务具体情况”。 6、最近两年一期经审计的主要财务指标 燃料公司最近两年一期经普华审计的主要财务数据如下: 单位:万元 ■
(下转D20版) 本版导读:
|
|||||||||||||||||||||||||||||||||||||||||||||||||||||||||||||||||||||||||||||||||||||||||||||||||||||||||||||||||||||||||||||||||||||||||||||||||||||||||||||||||||||||||||||||||||||||||||||||||||||||||||||||||||||||||||||||||||||||||||||||||||||||||||||||||||||||||||||||||||||||||||||||||||||||||||||||||||||||||||||||||||||||||||||||||||||||||||||||||||||||||||||||||||||||||||||||||||||||||||||||||||||||||||||||||||||||||||||||||||||||||||||||||||||||||||||||||||||||||||||||||||||||||||||||||||||||||||||||||||||||||||||||||||||||||||||||||||||||||||||||||||||||||||||||||||||||||||||||||||||||||||||||||||||||||||||||||||||||||||||||||||||||||||||||||||||||||||||||||||||||||||||||||||||||||||||||||||||||||||||||||||||||||||||||||||||||||||||||||||||||||||||||||||||||||||||||||||||||||||||||||||||||||||||||||||||||||||||||||||||||||||||||||||||||||||||||||||||||||||||||||||||||||||||||||||||||||








