证券时报网络版郑重声明经证券时报社授权,证券时报网独家全权代理《证券时报》信息登载业务。本页内容未经书面授权许可,不得转载、复制或在非证券时报网所属服务器建立镜像。欲咨询授权事宜请与证券时报网联系 (0755-83501827) 。 |
江苏九九久科技股份有限公司发行股份购买资产并募集配套资金暨关联交易报告书(草案)摘要 2015-07-28 来源:证券时报网 作者:
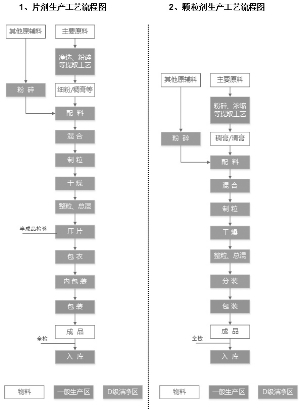
(上接B20版) (4)经营性资产价值 本次陕西必康的收益法评估中,股东全部权益价值的计算过程如下: 单位:万元 ■ 其中,主要指标的预测情况如下: 1)主营业务收入的预测 主营业务收入的影响因素主要为未来产品销售数量和未来产品的销售单价,即主营业务收入=∑(产品销售数量×产品销售单价),具体预测如下: ①主营产品销售数量预测 2015年产品销售数量根据2015年营销计划考虑历年销售计划与实际销售的差异率4%后进行预测,结合企业产能情况,2016年产品销售数量增长率按照9%考虑,2017年至2018年销售数量增长率考虑6%,2019年至2020年销售增长率考虑5%,永续期产品销售数量维持在2020年水平之上。对于2015年营销计划没有销售的产品,本次不予预测。具体销售数量预测如下: 单位:万盒/万瓶 ■ ②产品销售单价预测 2015年被评估单位对产品结构进行微调,由于企业历史销售单价变化不大,因此本次预测按照企业2015年营销计划产品单价预测。具体预测如下: 单位:元/瓶;元/盒 ■ ③销售收入预测 根据预测的产品销售数量和产品销售单价,确定产品销售收入具体明细如下: 单位:万元 ■ 2013年、2014年产品销售收入增长率均为20%以上,结合被评估企业目前产能状况,确定预测期收入增长比率逐年降低,2016年增长率6%,2017年、2018年增长率为6%,2019-2020年增长率为5%,永续期维持2020年的水平。 2)主营业务成本的预测 主营业务成本主要包括直接材料、直接人工、制造费用。制造费用又分为间接人工费、固定资产折旧费用、燃料、电费、物料消耗、修理费、排污费、办公费及其他费用等。 ①未来主营业务成本中直接材料费用预测 直接材料费随着销售数量的增加以及材料单价增加,直接材料会增加,本次评估平均考虑材料价格按照每年3.5%幅度增加。 材料费用具体预测如下: 单位:万元 ■ 直接材料费用受到产品销售数量影响,由于销售数量增长率逐年降低,因此直接材料增长率逐年递减。 ②未来主营业务成本中人工费用预测 未来人工费的预测主要受到未来产品生产所需要的工人数量以及工人工资水平影响。 本次评估按照目前企业工资水平以及工人人数,考虑未来工资水平的上涨因素后归集主营业务成本中人工费用,然后按照企业成本计算单所使用的每种产品单位工时以及产品销售数量确定每种产品所需要的总工时,从而按照总工时进行分配每种产品的直接人工费。 经过归集分配后直接人工费预测如下: 单位:万元 ■ 直接人工费的增加由于每年工人工资水平增加造成。 ③制造费用的预测 制造费用分为间接人工费、固定资产折旧费用、燃料、电费、物料消耗、修理费、排污费、办公费及其他费用等。 间接人工费按照目前企业工资水平以及间接工人人数,考虑未来工资水平的上涨因素后归集制造费用中间接人工费用。 固定资产折旧费用按照目前企业现有房产、设备状况,参考机器设备经济耐用年限和GMP改造时间、产品销售计划等因素确定设备维持现有规模的资本性支出后,按照企业现有状况,归集固定资产折旧费用。 燃料、电费、物料消耗等产品销售数量有关则按照单位工时成本以及未来销售数量综合确定。 修理费、排污费、办公费以及其他等与产品销售数量成非线性关系的,按照历年发生额为基础,综合分析确定。 经过分类预测后进行归集,然后按照企业成本计算单所使用的每种产品单位工时以及产品销售数量确定每种产品所需要的总工时,从而按照总工时进行分配每种产品的制造费用。 单位:万元 ■ 制造费用增长比率不均衡由于机器设备的更新引起固定资产折旧费用变化造成。 ④主营业务成本预测 经过分类预测后主营业务成本汇总如下: 单位:万元 ■ 主营业务成本增长率变化,由于工人工资费用增长比率递减、固定资产折旧变化、燃料以及电费上升等原因造成。 3)主营业务税金及附加的估算 主营业务税金及附加包括营业税及附加税金,如城建税及教育费附加、地方教育费附加等。陕西必康制药集团控股有限公司产品销售收入增值税税率为17%。城建税及教育费附加、地方教育费附加按流转税的5%、3%和2%缴纳。预期预测期间内各年度的适用税率将维持不变。主营业务税金及附加预测如下: 未来主营业务税金及附加估算表 单位:万元 ■ 4)销售费用的预测 销售费用未来年度预测如下: 单位:万元 ■ 广告费以历年发生额平均数为基础进行预测,按每年年增长10%估算。 运输费用以2015年1-2月平均每件产品运输费以及考虑每2年调增5%的价格,按照产品销售件数与每件运输单价进行估算。 工资及福利费等薪酬类:以2015年1-2月份工资为基础,按照工种人数、历年福利费以及工会经费和职工教育经费占工资的比例分别计算出未来年度费用;职工社会保险按照现有人数,参考当地社会保险缴纳标准进行预测,未考虑已经参加新农合以及其他原因部分人员的影响;销售提成按照历年销售提成占收入比例的平均数与未来年度收入的乘积确定。 商业返利参考以前年度占收入比例、营销政策、未来年度收入等进行估算。 折旧费用按照现有固定资产以及未来资产更新因素,计算折旧进行分摊。 装卸费以2015年1-2月数据为基数,按照2015年1-2月装卸费用占运输费用的比例进行考虑。 办公费、通讯费、业务招待费、车辆费、交通费、邮寄费、会议费、经销商促销费等类费用的发生主要以2014年数据为基础,每年按照增加3%考虑。 其他费用:以前年度发生额为基础进行确定。 5)管理费用预测 管理费用未来预测如下: 单位:万元 ■ 管理费用的预测分固定部分和可变部分两方面预测。固定部分主要是折旧与摊销,不随主营业务收入变化而变化;可变部分主要是人工费用等,随业务量的增加而变化。 ①固定费用的预测 本次预测存量固定资产的基础上,考虑固定资产的更新需要追加的资本性支出,按照现有的会计政策,计算固定资产折旧费用。 ②可变费用的预测 人工费用:包括工资、福利费、工会经费、教育经费、劳动保险费等,以2015年1-2月份工资为基础,工资2015-2020年分别以15%、10%、5%、5%、5%、5%增加,按照工种人数、历年福利费以及工会经费和职工教育经费占工资的比例分别计算出未来年度费用;职工社会保险按照现有人数,参考当地社会保险缴纳标准进行预测,未考虑已经参加新农合以及其他原因部分人员的影响。 研发费用:企业已经在成本项目中核算研发费用,科技企业研发费用的不断投入是保持其持续发展的基础,本明细表中所列为分析调整企业未来年度研发经费预算后调增部分。 办公费、邮电费(邮寄费)、差旅费、交通费、业务招待费、通讯费、修理费、车辆费、会议费等以2014年度发生额为基础,每年按照3%的上涨幅度进行估算。 其他费用:其他各类费用的发生主要历年年度发生额为基础估算。 经上述预测后,随着收入的增加,未来各年管理费用占收入的比例逐年降低。 6)财务费用的预测 财务费用主要包括利息支出、利息收入、汇兑损益、手续费等。具体预测如下: ①利息支出:企业未来无借款计划,因此不予考虑借款因素影响; ②利息收入:按照预测的最低现金保有量与目前活期存款利率乘积进行估算; ③汇兑损益:按照历年汇兑损益占利息收入比例平均数与未来年度利息收入乘积估算; ④手续费:按照历年手续费占主营业务成本比例的平均数与未来年度主营业务成本乘积估算。 根据企业基准日的借贷情况,按现行的利率水平预测财务费用如下表: 单位:万元 ■ 7)折旧与摊销预测 ①折旧预测 本次评估中,考虑到企业的固定资产计提折旧的现实,以及对公司折旧状况的调查,按企业实际执行的折旧政策估算未来经营期内的折旧。 公司的固定资产主要包括机器设备、车辆及办公设备等。固定资产按取得时的实际成本计价,均采用直线法计提折旧,并按固定资产估计使用年限和预计净残值率确定其分类折旧率,对购入已使用的固定资产按尚可使用年限计提折旧。 在维持现有经营规模的前提下,未来各年度只需对现有资产的耗损(折旧)进行更新。即当资产累计折旧额接近资产原值或当资产净值接近预计的资产残值时,即假设该资产已折毕,需按照资产原值补充更新该资产。在发生资产更新支出的同时,原资产残值报废,按照更新后的资产原值提取折旧直至经营期截至。未来经营期内的折旧估算如下表: 单位:万元 ■ ②摊销预测 摊销主要为无形资产摊销。本次评估根据企业基准日的会计政策预测摊销额。未来经营期内的摊销估算如下表: 单位:万元 ■ 8)追加资本估算 追加资本系指企业在不改变当前经营业务条件下,为保持持续经营所需增加的营运资金和超过一年期的长期资本性投入。如产能扩大所需的资本性投资(购置固定资产或其他长期资产);经营规模变化所需的新增营运资金以及持续经营所必须的资产更新等。 在本次评估中,假设企业不再对现有的经营能力进行资本性投资,未来经营期内的追加资本主要为持续经营所需的资产更新和营运资金增加额。即所定义的追加资本为: 追加资本=资产更新投资+营运资金增加额 资产更新投资=固定资产更新=机器设备更新+房屋建筑物更新+其他设备更新 ①资产更新投资 按照收益估算的前提和基础,在维持现有规模的前提下,未来各年不考虑扩大的资本性投资,则只需满足维持现有生产经营能力所必需的更新性投资支出。因此只需估算现有资产耗损(折旧)后的更新支出。本次估算车辆及办公设备的更新投资所发生的资本性支出按基准日该被更新资产的账面金额计算。即当资产累计折旧额接近资产原值或当资产净值接近预计的资产残值时,即假设该资产已折毕,需按照资产原值补充更新该资产。在发生的资产更新支出的同时,按照更新后的资产原值提取折旧直至经营期截至。参照公司以往年度资产更新性支出情况,预测未来资产更新性支出,具体预测如下表: 单位:万元 ■ ②营运资金增加额估算 营运资金增加额系指企业在不改变当前主营业务条件下,为维持正常经营而需新增投入的营运性资金,即为保持企业持续经营能力所需的新增资金。如正常经营所需保持的现金、存货购置、客户欠付的应收款项等所需的基本资金以及应付的款项等。营运资金的增加是指随着企业经营活动的变化,获取他人的商业信用而占用的现金,正常经营所需保持的现金、存货等;同时,在经济活动中,提供商业信用,相应可以减少现金的即时支付。通常其他应收款和其他应付款核算内容绝大多数为关联方的或非经营性的往来;应交税金和应付工资等多为经营中发生,且周转相对较快,拖欠时间相对较短、金额相对较小,估算时假定其保持基准日余额持续稳定。因此估算营运资金的增加原则上只需考虑正常经营所需保持的现金(最低现金保有量)、存货、应收款项和应付款项等主要因素。定义的营运资金增加额为: 营运资金增加额=当期营运资金-上期营运资金 营运资金=经营性现金+存货+应收款项-应付款项 经营性现金=年付现成本总额/现金周转率 年付现成本总额=销售成本总额+期间费用总额-非付现成本总额 现金周转期=存货周转期+应收款项周转期-应付款项周转期 应收款项=营业收入总额/应收账款周转率 应收款项主要包括应收账款、应收票据、预付款项以及与经营业务相关的其他应收账款等诸项。 存货=营业成本总额/存货周转率 应付款项=营业成本总额/应付账款周转率 应付款项主要包括应付账款、应付票据、预收款项以及与经营业务相关的其他应付账款等诸项。 根据对评估对象经营情况的调查,以及经审计的历史经营的资产和损益、收入和成本费用的统计分析以及对未来经营期内各年度收入与成本的估算结果,按照上述定义,可得到未来经营期内各年度的货币资金、存货、应收款项以及应付款项等及其营运资金增加额,估算结果见表。 未来营运资金预测表如下: 单位:万元 ■ (5)非经营性资产(负债)和溢余资产的价值 在评估基准日2015年2月28日,陕西必康账面有如下一些资产(负债)的价值在本次估算的净现金流量中未予考虑,应属本次评估所估算现金流之外的其他非经营性或溢余性资产,在估算企业价值时应予单独估算其价值。 1)非经营性资产的价值 ①其他应收款:共计9户,关联方借款7户,非关联方借款2户,具体明细评估值如下表: 单位:万元 ■ ②房屋建筑物、构筑物位于老厂区(山阳县城关镇)房屋建筑物除老厂综合办公楼、老厂食堂外,其余处于闲置状态,为非经营性资产,评估值为100.70万元。 具体详见下表: 单位:万元 ■ ③机器设备共计213项,合计491台(套),账面价值2,912.32万元,账面净值145.62万元。主要包括大输液1、大输液2、小针车间设备,由于未完成GMP改造计划,暂时未利用生产,因此属于非经营性资产。评估值为297.25万元。具体详见资产评估明细表。 ④土地使用权共1项,位于山阳县城关镇九一村,系老厂区所占用土地。权证编号:山国用(2000)字第020111号,面积15,951.35㎡,用途:工业,账面价值125.18万元,未利用生产经营,为非经营性资产,评估值为369.51万元。 ⑤在建工程:账面价值3,248.47万元,其中:新厂区二期工程账面价值3,078.47万元,为非经营性资产;其余为现有设备GMP改造费用,为经营性资产。在建工程中非经营性资产评估值为3,129.71万元。 ⑥递延所得税资产:账面价值494.04万元,本次作为非经营性资产。评估值1,047.44万元。 ⑦其他应付款:以核实后的账面值作为评估值。具体情况见下表: 单位:万元 ■ ⑧应付账款:主要为新厂区二期工程设备款,作为非经营性负债。以核实后的账面值作为评估值。 单位:万元 ■ ⑨应付股利:主要为应付陕西北度新材料科技有限公司股利,以核实后的账面值作为评估值。 单位:万元 ■ 2)溢余资产的价值 评估基准日,溢余资产主要为溢余货币资金和长期股权投资。 ①溢余资金根据评估基准日的月平均付现成本确定最低现金保有量,与评估基准日的货币资金账面余额作比较,确定溢余资金为4,461.82万元。见下表: 单位:万元 ■ ②长期股权投资价值 本次评估,长期股权投资的各评估对象经审计的账面价值78,940.05万元,评估价值为85,003.97万元,具体如下: 单位:万元 ■ 长期股权投资的评估方法及过程详见长期股权投资的评估说明。 溢余资产的评估价值为89,465.79万元。 (6)评估结果 按照收益途径,采用现金流折现方法(DCF)对陕西必康的股东全部权益价值进行了评估,在评估基准日,陕西必康的股东全部权益价值为699,023.94万元。 (7)评估增值的原因说明 陕西必康是一家以医药生产为主的高新技术企业。陕西必康不仅拥有国内先进的生产技术,而且还拥有业务网络、核心团队等重要的无形资源。采用收益法不仅考虑了已列示在企业资产负债表上的所有有形资产、无形资产和负债的价值,同时也考虑了资产负债表上未列示的企业技术以及人力资源、营销网络、稳定的客户群等因素对企业价值的影响,反映了企业各项资产的综合获利能力,对企业未来的预期发展因素产生的影响考虑比较充分,因此收益法评估存在一定增值。 本次对标的资产未来盈利情况的预测主要基于以下因素: 首先,陕西必康自设立以来,一直专注于中成药、化学药品及原料药等生产和销售。经过多年发展,至今已在陕西、江苏、湖北多地拥有生产基地,下辖十多家医药工业企业,拥有药品(再)注册批件四百余项,是国内目前制药行业拥有全剂型、品种数量最多的制药企业之一。根据国家食品药品监督管理局南方医药经济研究所《医药经济报》历年颁布的中国制药工业百强榜,陕西必康于2013年位列百强榜的第23位,2014年位列百强榜的第21位,并获得中国医药工业信息中心颁布的2015年中国医药工业最具成长力企业。陕西必康以代理制为主的销售模式在第三终端市场赢得了较好的市场占有率。基于在第三终端市场已建立的完备的营销与管理体系,2012年至2014年陕西必康的营业收入保持稳定增长。2015年初,陕西必康对于代理模式进一步优化,每个省设立1-2家具有覆盖能力的一级分销商,一级分销商下设二级分销商和三级分销商。通过优化代理模式等手段,陕西必康将夯实第三终端市场销售,扩大第二终端和第一终端的开发和销售,市场渗透率将进一步上升,具备较大的成长空间,预计未来仍将保持较快的增长势头。 其次,陕西必康产品市场价格稳定。报告期内,陕西必康各主要产品的销售价格基本稳定,产品市场竞争能力强。 最后,陕西必康在主要产品结构稳定的基础上,新产品销售收入不断增加。至报告期期末,2013年开始销售的新药收入占主营业务收入的比重已达到27.86%,预计未来将继续增长。 (三)董事会对本次交易评估事项的意见 本公司董事会在充分了解本次交易的前提下,分别对评估机构的独立性、评估假设前提的合理性、评估方法与评估目的的相关性、评估定价的公允性等事项发表如下意见: 1、对评估机构、评估假设前提、评估方法的意见 (1)评估机构的独立性 本次交易聘请的评估机构国融兴华具有证券、期货相关业务评估资格。国融兴华及其经办人员与公司、交易对方、目标公司之间除业务关系外,无其他关联关系,亦不存在除专业收费外的现实的及预期的利益或冲突,评估机构具有独立性。 (2)评估假设前提的合理性 本次对标的资产的评估中,国融兴华所设定的评估假设前提和限制条件按照国家有关法规和规定执行、遵循了市场通用的惯例或准则、符合评估对象的实际情况,评估假设前提具有合理性。 (3)评估方法与评估目的的相关性 本次评估的目的是确定标的资产在评估基准日时标的资产的市场价值,为本次交易提供价值参考依据。国融兴华采用资产基础法和收益法两种评估方法对标的资产进行了评估,并根据各评估对象的实际情况最终选取了收益法评估结果作为最终的评估结论,符合中国证监会的相关规定;本次评估所选用的评估方法合理,评估结果客观、公正地反映了评估基准日评估对象的实际情况,评估方法与评估目的具有相关性。 (4)评估定价的公允性 评估机构实际评估的资产范围与委托评估的资产范围一致;评估工作按照国家有关法规与行业规范的要求进行,实施了必要的评估程序,遵循了独立、客观、公正、科学的原则,运用了合规且符合评估对象实际情况的评估方法;折现率等重要评估参数取值合理,预期收益的可实现性较强,评估价值公允。标的资产以评估价值作为定价基础,交易价格公平、合理,不存在损害公司及中小股东利益的情形。 2、本次交易定价合理公允性的分析 (1)与标的资产所属行业发展状况及其行业地位的匹配分析 根据广州标点医药信息有限公司统计数据显示,中国国医药市场近年来增速在20%左右,成为新兴药品市场代表中的代表。和全球大多数国家陷入经济衰退的趋势相反,我国的经济发展势头良好,个人支付能力未受影响。未来的医疗制度改革将在原有的基础上使更多的人享受基本医疗保健,社区医院市场的发展也将更迅猛,医药市场的容量将有巨大的突破,而且未来几年还将继续快速增长。其中,根据Evaluate集团研究显示,预计在2015年以后全球处方药市场中通用名药物增长率将在10%以上,在2020年可达10.5%。 根据南方医药经济研究数据显示,近几年,中国药品第三终端市场展现良好的增长态势,从2012年的703亿元上升至2014的1033亿元,复合增长率为21.22%,增长速度快于中国药品终端总体市场的增长率。同时,陕西必康第三终端市场发展较好,营业总收入从2012年的12.84亿元上升至2014的18.06亿元,复合增长率为40.65%,增长速度高于中国药品第三终端市场的增长率。 (2)与标的资产经营状况的匹配分析 陕西必康长期采取以代理商为主的销售模式具备较高的销售覆盖能力,为其产品销售打下良好的基础,具备较高的用户覆盖面,有助于其抵抗市场竞争、稳固市场地位。同时,常年积累所建立的营销与产品体系构筑了其竞争壁垒。 陕西必康2012年至2014年实现营业收入分别为12.84亿元、15.67亿元和18.06亿元,实现扣除非经常性损益后净利润为4.10亿元、5.73亿元和4.89亿元,盈利能力较好。 (3)与可比上市公司的对比分析 根据中国证监会《上市公司行业分类指引(2012年修订)》,陕西必康所从事的业务属于“制造业(C)”中的“医药制造业(C27)”。同行业可比上市公司的选择主要考虑了如下因素:(1)可比公司所从事的行业或其主营业务为医药制造行业;(2)可比公司至少有两年以上的上市历史且为盈利公司;(3)可比公司只发行A股;(4)可比公司资产规模、经营业绩与标的公司大致相当或相似。可比公司在本次评估基准日2015年2月28日的估值情况如下: ■ 数据来源:Wind资讯 注1:标的资产市盈率为以2014年净利润计算的静态市盈率 注2:标的资产市净率为以2014年12月31日净资产计算的市净率 2015年2月28日,可比上市公司的平均市盈率为52.59、平均市净率为5.22。本次交易标的资产作价对应静态市盈率为14.45,低于行业平均水平。同时,以2014年12月31日的净资产计算,本次交易作价对应市净率为4.86,低于同行业上市公司的平均水平,主要原因为2014年12月22日陕西必康董事会决定分红238,262.75万元。 综上,基于在评估基准日和同行业上市公司估值的对比,本次交易标的资产作价公允合理。 (4)与可比交易的对比分析 从业务和交易相似性的角度,本分析选取以下4起交易作为可比案例,其估值情况总结如下: ■ 注1:市盈率=标的资产交易作价÷标的资产评估基准日上一会计年度归属于母公司所有者的净利润 注2:市净率= 标的资产交易作价÷标的资产评估基准日上一会计年度期末归属母公司股东权益合计 如上表所示,本次交易标的资产作价所对应的市盈率和市净率均低于可比交易均值。 因此,基于和同行业上市公司可比交易的对比,本次交易标的资产作价公允合理。 (四)独立董事对本次交易评估事项的意见 根据《公司法》、《证券法》、《重组管理办法》、《首次公开发行股票并上市管理办法》、《上市公司证券发行管理办法》、《关于在上市公司建立独立董事制度的指导意见》和《深圳证券交易所股票上市规则》等有关法律、法规以及《公司章程》的有关规定,上市公司的独立董事参加了公司第三届董事会第十四次会议,认真审阅了关于本次重大资产重组的相关议案文件,发表如下独立意见: 1、公司本次交易聘请的评估机构为北京国融兴华资产评估有限责任公司(以下简称“国融兴华”),具有证券、期货相关业务评估资格。国融兴华及其经办人员与公司、交易对方、目标公司之间除业务关系外,无其他关联关系,亦不存在除专业收费外的现实的及预期的利益或冲突,评估机构具有独立性。 2、本次对标的资产的评估中,国融兴华所设定的评估假设前提和限制条件按照国家有关法规和规定执行、遵循了市场通用的惯例或准则、符合评估对象的实际情况,评估假设前提具有合理性。 3、本次评估的目的是确定在评估基准日时标的资产的市场价值,为本次交易提供价值参考依据。国融兴华采用资产基础法和收益法两种评估方法对标的资产进行了评估,并根据各评估对象的实际情况最终选取了收益法评估结果作为最终的评估结论,符合中国证监会的相关规定;本次评估所选用的评估方法合理,评估结果客观、公正地反映了评估基准日评估对象的实际情况,评估方法与评估目的具有相关性。 4、评估机构实际评估的资产范围与委托评估的资产范围一致;评估工作按照国家有关法规与行业规范的要求进行,实施了必要的评估程序,遵循了独立、客观、公正、科学的原则,运用了合规且符合评估对象实际情况的评估方法;折现率等重要评估参数取值合理,预期收益的可实现性较强,评估价值公允。标的资产以评估价值作为定价基础,交易价格公平、合理,不存在损害上市公司及广大中小股东利益的情形。 三、主营业务情况 陕西必康成立于1997年,是集原料药、中成药及化学药品等生产和营销于一体的现代化大型医药企业集团,是国内目前制药行业拥有全剂型、品种数量最多的制药企业之一。根据CFDA南方所《医药经济报》历年颁布的中国制药工业百强榜,陕西必康于2014年位列百强榜的第21位,排名位居国内制药企业前列。2014年陕西必康被陕西省企业家协会评为陕西百强企业。 陕西必康自设立以来,主营业务未发生变化。 (一)陕西必康主要产品及用途 陕西必康医药产品系列齐全,产品覆盖面广,其中有266个药品品种进入国家医保目录,有7个药品品种未进入国家医保目录,但进入了省级医保目录,另有近20个独家产品,主要产品类型以片剂、颗粒剂、胶囊及口服液为主。目前陕西必康营业收入主要以中成药产品为主,注重在心脑血管类、儿科类、清热解毒类、风湿关节类、消化代谢类、眼科类等核心治疗领域的推广。 考虑到陕西必康产品系列丰富,种类众多,因此选取了报告期内近三年任一年收入占当年营业收入比重超过5%或任一年收入超过8,000万元的产品作为标的公司的主要产品。报告期内,陕西必康按产品类型细分的营业收入明细及主要产品收入情况详见下表: 单位:万元 ■ 依据上表,2012年至2015年1-2月,陕西必康片剂、颗粒剂、胶囊及口服液的收入金额占营业收入总额的比例合计分别为83.19%、86.83%、90.50%与89.12%。七种主要产品报告期内近三年收入占各期营业收入比例合计分别为61.29%、55.11%、54.24%,主要产品收入占比随着标的公司产品种类的不断丰富及经营策略的调整呈逐年下降趋势,但总体收入占比较大,是标的公司收入的主要来源。 报告期内,陕西必康及其子公司主要产品信息如下: ■ 陕西必康片剂、颗粒剂、口服液及胶囊的简要生产工艺流程图具体如下: ■ 3、口服液生产工艺流程图 4、胶囊生产工艺流程图 ■ (三)陕西必康主要业务模式 陕西必康拥有独立完整的原材料采购、研究开发、生产、检测和产品销售体系。企业根据市场需求及自身情况、市场规则和运作机制,独立进行生产经营活动。 1、采购模式 陕西必康采购模式的制定主要基于以下考虑:① 药品品种众多,生产量大,需保证原材料采购供应及时,避免出现断档;② 根据GMP的相关要求,原材料供应商需保持相对稳定,以保障原材料质量,同时便于追责;③ 在保证原材料质量的同时,尽量降低采购成本,保障利润水平。 (1)中药材、原辅材料、包装物的采购 陕西必康的中药材、原辅材料、包装物等材料采购由采供部统一负责。采供部在每年年末,会根据企业的发展规划、销售部门制定的次年销售预算,测算次年生产所需材料的用量汇总,并据此制定下一年的原材料采购计划。原材料采购采取招标方式,招标完成后企业与中标供应商签订年度框架性采购合同,后续采供部将依据生产计划按月向供应商下达具体订单,并协调匹配各生产基地和供应商的送货节奏,以保障生产需要。 (2)备品备件、零星材料、办公用品采购 对于备品备件、办公用品等较为次要的物品采购,由各使用部门每月提交申购计划,采供部按月以市场询价方式进行采购。 (3)工程物资、大宗物品的采购 对于工程物资等大宗物件的采购,陕西必康管理层会依据经营现状及发展规划,综合确定拟实施的工程项目或需要采购的大宗物件,管理层计划确定后,由招标委员会统一负责进行招标采购。 陕西必康在采购过程中,一般采用以下方式保证货源质量及供货价格的稳定:① 优先选择与规模较大且声誉较好的大公司合作;② 多家比价,药品原材料由招标委员会参与实施,全面比较价格、物流,质保、性能等重要指标;③ 一次性签订年度采购框架性协议,锁定优惠供货价格。若市场价格波动较大(偏离合同约定价格的15%),双方可视市场情况另行谈判确定新的供货价格;④ 随时跟踪物料价格,在物料价格低点时与供货商沟通备货,降低采购单价。 2、销售模式 陕西必康的业务模式为下游商业公司(经销商)买断的销售模式,即陕西必康的产品直接销售给商业公司,与商业公司直接进行货款结算,商业公司通过其销售渠道将药品最终销售至基层医院、药店、诊所等零售终端。报告期内陕西必康向主要下游客户的销售情况参见本节“(三)陕西必康主营业务经营情况”之“6、报告期内近三年及一期销售情况”的相关内容,根据陕西必康的说明及查阅主要客户的工商档案材料,前述主要客户与陕西必康之间不存在关联关系。 对于药品的销售推广,陕西必康通过组建专业的销售团队,对药店、诊所、基层医院、药品经销商进行跟踪服务,帮助主要产品在零售终端的促销、店员沟通等服务工作,使企业产品能够快速、全面地到达终端,使终端药店、诊所、基层医院在为患者提供药学服务时推荐使用企业的产品。同时陕西必康也通过促销、公关活动、患者教育等方式传播企业产品的特点和适应症,树立企业品牌,提升患者选择陕西必康产品的意愿,最终实现药品的推广销售。 3、定价模式 陕西必康的产品定价方式分为三类:① 陕西必康有266个药品品种进入国家医保目录,此类产品由国家发改委核定药品最高零售价,陕西必康在核定的价格范围内依据市场竞争及供求状况自行确定产品售价;② 除进入国家医保目录的产品外,陕西必康有7个药品品种未进入国家医保目录,但进入了省级医保目录,此类产品由各省市的物价管理部门核定药品最高零售价,陕西必康在限价范围内依据市场竞争及供求状况自行确定产品售价;③ 除前两类药品外,陕西必康剩余产品为企业自主定价的产品,陕西必康根据产品生产成本、市场供求情况,自主确定产品价格,并报相关省市的物价主管部门备案。 (三)陕西必康主营业务经营情况 报告期内,陕西必康营业收入逐年增长,2014年营业收入超过18亿元,整体经营情况良好。依据国家食品药品监督管理局南方医药经济所主办的第九届中国制药工业百强年会上披露的统计数据,截至2013年,全国医药工业企业中,销售规模在10亿元以上的企业数量只占企业总数的5.6%,但产值与利润占比却达到整体行业的50%以上。 陕西必康近年来的快速发展主要得益于确定了符合企业发展及企业实际状况的战略发展方向,即专注于第三终端市场。随着陕西必康在第三终端市场的成功,陕西必康展开了持续的业务扩张,在报告期内先后收购了五景药业、西安交大药业(集团)有限公司(现“西安必康”)、江苏康宝制药有限公司(现“必康江苏”)等医药工业企业,五景药业是一家以生产五官科类用药为主的化学原料制剂制造的现代化制药企业,是我国拥有眼科用药系列产品线最全的企业之一,在业界口碑良好,信誉出众;西安必康是一个集药品研发、生产、销售、服务为一体的现代化制药企业,其“心荣”系列产品以其独特的修复心肌功能优势及确切的疗效在心脑血管领域取得了良好的口碑。陕西必康借助自身规模及渠道优势,结合被收购企业潜力较大的医药品种,在稳固并强化陕西必康在第三终端市场优势的同时,进一步向第二终端与第一终端拓展,在市场拓展的同时保证了公司整体盈利能力的持续增长。 1、主要产品生产能力情况 2012年至2015年1-2月,陕西必康片剂、颗粒剂、胶囊及口服液的收入金额占各期营业收入总额的比例合计分别为83.19%、86.83%、90.50%与89.12%,为陕西必康的主要产品类型。报告期内,陕西必康前述主要产品类型的理论产能情况如下: ■ 注:上述理论产能系根据生产线关键设备的每小时产能,按照假设每天工作八小时,每年工作300天计算得出。实际生产过程中,受到生产线维护、生产品类切换等因素的影响,实际产能通常低于理论产能。 2、主要产品产量情况 报告期内,陕西必康的七种主要产品的产量情况如下: ■ 报告期内,陕西必康生产熟练度不断提高,各生产环节衔接日渐紧凑,机器使用时间更加合理,上述七种主要产品的产量稳步提升,仅小儿感冒颗粒2014年产量小幅下降,主要原因系2014年小儿感冒颗粒毛利率下降,公司调整生产安排,将更多的颗粒剂产能分配给毛利率较高的小儿化痰止咳颗粒和银翘解毒颗粒等产品。 3、主要产品销量情况 报告期内,陕西必康的七种主要产品的销量情况如下: ■ 报告期内,陕西必康的七种主要产品市场需求旺盛,销量稳步上升。2014年小儿感冒颗粒销量有小幅下降,主要原因是其产量的下降。 4、主要产品产销率情况 报告期内近三年,陕西必康的七种主要产品的产销率情况如下: ■ 报告期内,陕西必康的七种主要产品产销情况良好,产销率均接近甚至超过100%。 5、主要产品价格变动情况 陕西必康的产品定价方式分为三类:① 陕西必康有266个药品品种进入国家医保目录,此类产品由国家发改委核定药品最高零售价,陕西必康在核定的价格范围内依据市场竞争及供求状况自行确定产品售价;② 除进入国家医保目录的产品外,陕西必康有7个药品品种未进入国家医保目录,但进入了省级医保目录,此类产品由各省市的物价管理部门核定药品最高零售价,陕西必康在限价范围内依据市场竞争及供求状况自行确定产品售价;③ 除前两类药品外,陕西必康剩余产品为公司自主定价的产品,陕西必康根据产品生产成本、市场供求情况,自主确定产品价格,并报相关省市的物价主管部门备案。 报告期内,陕西必康的七种主要产品的价格变动情况如下: 单位:万元 ■ 报告期内,陕西必康的七种主要产品的价格保持稳定,变动幅度较小。其中,2013年相比2012年,除复方丹参片价格上涨7.37%外,其余产品价格均小幅下降,但下降幅度均小于1%;2014年相比2013年,复方丹参片价格上涨3.06%,其他产品价格基本无变化;2015年1月至2月,各产品价格相比2014年均有一定幅度的提高。 6、报告期内近三年及一期销售情况 2015年1-2月,陕西必康营业收入总额为28,048.70万元,对前五名客户的销售情况参见下表: 单位:万元 ■ 2015年1-2月,陕西必康前五大客户集中度较以前年度大幅提高且部分客户为新客户,主要系:① 依据陕西必康经营规划,为继续夯实企业在第三终端的销售规模,同时开拓第二终端市场,企业着手强化渠道整合,提升集中度,以提升下游客户的管理效率同时降低资金回笼风险;② 由于部分原下游客户GSP证书已过期,尚未及时取得新版GSP认证,因此企业在原区域选择了新的合作客户。 2014年,陕西必康营业收入总额为180,596.43万元,对前五名客户的销售情况参见下表: 单位:万元 ■ 2013年,陕西必康营业收入总额为156,653.63万元,对前五名客户的销售情况参见下表: 单位:万元 ■ 2012年,陕西必康营业收入总额为128,431.80万元,对前五名客户的销售情况参见下表: 单位:万元 ■ 报告期内,陕西必康不存在向单个客户的销售比例超过营业收入50%或严重依赖单一客户的情形。根据陕西必康的说明及查阅上述主要客户的工商档案材料,陕西必康与上述主要客户之间不存在关联关系。 7、报告期内近三年及一期采购情况 陕西必康报告期内的采购主要为各类中药材原料及相关辅料的采购以及药品印刷包装相关材料的采购。 2015年1-2月,陕西必康前五名供应商采购情况参见下表: 单位:万元 ■ 2014年,陕西必康前五名供应商采购情况参见下表: 单位:万元 ■ 2013年,陕西必康前五名供应商采购情况参见下表: 单位:万元 ■ (下转B22版) 本版导读:
发表评论:财苑热评: |


