证券时报网络版郑重声明经证券时报社授权,证券时报网独家全权代理《证券时报》信息登载业务。本页内容未经书面授权许可,不得转载、复制或在非证券时报网所属服务器建立镜像。欲咨询授权事宜请与证券时报网联系 (0755-83501827) 。 |
杭州新世纪信息技术股份有限公司重大资产置换 及发行股份购买资产并募集配套资金暨关联交易预案 2014-04-08 来源:证券时报网 作者:
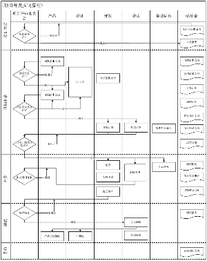
(上接B22版) (5)项目投资预期收益分析 项目投入运营后,预计每年新增用户50万户,每台设备均利润100元。 单位:万元 ■ 5、商户搜索云服务项目 (1)项目概述 该项目通过委托相关公司在运营商数据云基地部署搭建实施商户搜索云服务,项目建成后,可以为运营商数据基地服务。 (2)项目背景及必要性 数字天域已与中国联通广东省分公司合作开展商户搜索服务项目,2013年度月订购用户达到300万户,该产品实际产生的用户数预计可达500多万户。数字天域拟2014年在河北、四川省推广该项目。鉴于该产品目前已在广东地区成功推广,已具备成熟的运营模式,因此具备推广的可能性。同时国内手机用户的不断增加、智能机的迅速普及,为给该产品的应用提供了广阔的市场。 (3)项目实施进度 项目开始实施后6个月内完成,具体的项目实施进度安排如下表: ■ (4)项目投资预算 单位:万元 ■ (5)项目投资预期收益分析 项目实施后,效益测算如下: 单位:万元 ■ 三、本次发行股份前后公司股权结构变化 本次交易前,上市公司总股本为10,700万股。根据交易方案,本次发行股份购买资产拟发行约13,523.399万股股份,募集配套资金拟发行股份数不超过3,876.516万股。交易完成后,何志涛及其一致行动人陈理、郭静波将持有本公司约9,506.037万股股份,占比约33.83%,成为本公司的控股股东和实际控制人。 本次交易完成前后,上市公司股本总额及股本结构变化情况如下: ■ 本次重组完成后,以上市公司发行股份上限测算(包括发行股份购买资产和募集配套资金),本次交易完成后,新世纪的股本将由10,700万股变更为约28,099.916万股。为保证上市公司重组完成后符合上市条件,徐智勇等5名自然人将于本次重组完成后辞去其在上市公司所任的职务,并不晚于审议本次重大资产重组的股东大会召开日前签署一致行动的《终止协议》,约定自本次重组实施完毕之日(本次重组实施完毕之日,是指本次重组置出资产和置入资产全部交割完毕、本次交易非公开发行的股份在证券登记结算公司完成登记至认购方名下之事项全部完成之日)起,各方将解除其在新世纪的日常经营、重大事项决策中的一致行动关系并终止《一致行动协议》的履行。据此,本次重组完成后,社会公众股股数约为12,148.76万股,占本次发行后总股本的比例约为43.23%,不低于25%,上市公司股票仍具备上市条件。因此,本次交易不会导致上市公司股票不具备上市条件。 四、本次交易的决策过程 (一)本次交易已经履行的决策过程 1、新世纪的决策过程 2014年4月2日,新世纪与何志涛等11名/家交易对方签署了《重组框架协议》;2014年4月3日,新世纪召开公司第三届董事会第十次会议,审议通过了关于本次重组的预案及本次重组的有关协议,独立董事发表了独立意见,新世纪的关联董事在该次董事会会议中对有关议案回避表决。 2、交易对方的决策过程 本次重组交易对方中的携手世邦、东方富海二号、苏州方广、华慧创投4家有限合伙企业已分别作出合伙人决定,同意以所持数字天域股份认购新世纪非公开发行股份事宜。壹通讯香港作出股东决定,同意以所持数字天域股份认购新世纪非公开发行股份相关事宜。 3、数字天域的决策过程 2014年3月9日,数字天域召开2013年度股东大会,审议通过了有关本次重大资产重组议案。 (二)本次交易尚需履行的审批程序 1、本次交易的审计、盈利预测及评估报告出具后,尚需公司再次召开董事会审议通过本次重大资产重组相关事项; 2、公司股东大会的批准; 3、公司股东大会对何志涛及其一致行动人陈理、郭静波因本次交易免于发出收购要约的批准; 4、中国证监会并购重组审核委员会审核通过,并获得中国证监会的核准; 5、本次交易需获得中国证监会关于同意豁免何志涛及其一致行动人陈理、郭静波要约收购义务的批复; 6、本次交易尚需取得中国商务部对外国投资者投资上市公司的批准; 7、其他可能涉及的批准程序。 五、交易主体、交易标的及交易作价 (一)交易主体 本次重大资产重组涉及的交易主体为: 资产注入方:何志涛、陈理、郭静波、陈书智、王海燕、李一男6名自然人及携手世邦、东方富海二号、华慧创投、苏州方广和壹通讯香港。 资产置出方及股份发行方:新世纪 配套融资认购方:何志涛。 (二)交易标的 本次交易标的为: 拟置入资产:数字天域100%股份 拟置出资产:新世纪全部资产及负债 配套募集资金:上市公司拟采用锁价方式向何志涛发行股份募集配套资金不超过49,852万元,且募集资金总额不超过本次交易总额的25%,根据发行价格12.86元/股计算,本次发行股份数量不超过38,765,163股。具体发行股份数量将根据中国证监会最终核准的发行股份数量确定。 (三)交易价格及溢价情况 本次资产重组拟注入资产预估值约为212,883.76万元,拟置出资产净值预估值约为43,252.84万元,2014年2月27日,新世纪2013年度股东大会宣告分配股利4,280.00万元,考虑上述事项,扣除置出资产中用于分红的4,280.00万元,拟置出资产作价预计为38,972.84万元,两者差额约为173,910.92万元。 拟购买资产数字天域100%股权净资产未经审计的账面价值为21,665.66万元,预估值约为212,883.76万元,增值约191,218.10万元,增值率约882.59%。 六、本次交易构成关联交易 本次交易行为中,陈理、郭静波为何志涛的一致行动人,本次交易完成后,何志涛及其一致行动人将成为本公司的控股股东,根据《深圳证券交易所股票上市规则》:因与上市公司或者其关联人签署协议或者作出安排,在协议或者安排生效后,或者在未来十二个月内,具有本规则10.1.3条或者10.1.5条规定情形之一的,视同为上市公司的关联人。本次重大资产重组系本公司与潜在关联方之间的交易,构成关联交易。 七、本次交易构成重大资产重组 本次交易拟置入资产2013年度实现营业收入17,881.43万元(未经审计),上市公司2013年度实现营业收入21,580.53万元,置入资产最近一个会计年度产生的营业收入占上市公司同期营业收入的比例超过50%,并涉及上市公司置出全部资产及负债,以及向特定对象发行股份购买资产,根据《重组办法》第十一条,第二十八条以及第四十六条的规定,本次交易构成重大资产重组,并需提交中国证监会并购重组审核委员会审核。 八、本次交易导致公司控制权发生变化,并构成借壳上市 (一)本次交易符合《上市公司重大资产重组管理办法》第十二条关于借壳重组的标准并符合该条规定 《重组办法》第十二条关于借壳重组的标准为:自控制权发生变更之日起,上市公司向收购人购买的资产总额,占上市公司控制权发生变更的前一个会计年度经审计的合并财务会计报告期末资产总额的比例达到100%以上的,除符合本办法第十条、第四十二条规定的要求外,上市公司购买的资产对应的经营实体持续经营时间应当在3年以上,最近两个会计年度净利润均为正数且累计超过人民币2,000万元。 本次交易前,徐智勇、陆燕、滕学军、高雁峰、乔文东分别持有上市公司18,097,992股、3,700,000股、15,469,936股、15,469,936股和11,602,452股的股份,上述五人合计持有上市公司64,340,316股,占公司总股本的60.13%,为公司的控股股东。本次交易完成后,上述五人合计持有的股份占上市公司总股本的比例变为约22.90%。 本次交易完成后,何志涛及其一致行动人陈理、郭静波将成为公司控股股东及实际控制人。因此,本次交易使得上市公司实际控制权发生变更。 新世纪本次重大资产重组中涉及的拟购入资产为数字天域100%股份,本次拟置入资产于2013年12月31日未经审计的资产总额与预估值孰高值约为212,883.76万元,占上市公司控制权发生变更的前一个会计年度经审计的合并财务会计报告期末资产总额的比例约为427.30%,超过100%。 数字天域为合法存续的股份公司,其前身天域有限设立于2002年5月,为有效设立且合法存续的有限责任公司。天域有限于2013年4月以经审计的账面净资产折股的方式整体变更为股份有限公司,其经营实体存续不受改制影响,持续经营时间超过三年。数字天域2012年和2013年合并归属于母公司所有者未经审计的净利润分别为4,668.53万元和9,023.18万元,扣除非经常性损益后的归属于母公司未经审计的普通股股东净利润1,173.13万元和8,998.05万元,最近两个会计年度扣除非经常性损益后孰低的净利润均为正数且累计超过人民币2,000万元。 因此,本次重组达到借壳重组的标准,且符合《上市公司重大资产重组管理办法》第十二条的规定。 (二)本次重组符合《<关于修改上市公司重大资产重组与配套融资相关规定的决定>的问题与解答》中关于借壳重组的相关规定 1、经营实体是指上市公司购买的资产。经营实体应当是依法设立且合法存续的有限责任公司或股份有限公司,持续经营时间应当在3年以上,但经国务院批准的除外。如涉及多个经营实体,则须在同一控制下持续经营3年以上。 数字天域前身天域有限设立于2002年5月,设立时性质为有限责任公司。2013年4月,天域有限整体改制为股份有限公司,以天域有限经审计的账面净资产作为折股依据,因此其经营实体存续不受改制影响,持续经营时间自2002年5月至今超过3年。 2009年7月,何志涛受让刘艺兵、陈美英分别持有的天域有限50%股权和15%股权,股权转让完成后何志涛持有天域有限65%的股权,为天域有限控股股东及实际控制人。2010年10月,何志涛与天域有限两名股东陈理、郭静波签署一致行动协议,三人分别持有天域有限60.48%,13.10%和13.10%的股权,合计86.68%,成为天域有限的控股股东和实际控制人。 2010年10月21日,返程投资架构下B-1序列优先股融资完成后,何志涛及陈理、郭静波通过BVI公司间接享有数字天域的权益合计52.76%的股权。2011年7月18日,C序列优先股融资完成后,何志涛、郭静波和陈理通过BVI公司间接享有数字天域的权益合计47.53%的股权,为实际控制人。返程投资架构解除后,上市主体回归为境内的数字天域,何志涛及陈理、郭静波为控股股东及实际控制人。返程投资的建立及废止过程详见本预案“第五节 标的资产情况(置入资产)/四、数字天域返程投资架构的建立及废止过程”。 因此,最近三年内数字天域的控股股东及实际控制人没有发生变更。 综上,本次拟置入资产符合《问答》第三条对于经营实体的相关规定。 2、上市公司重组方案中,应重点披露拟进入上市公司的董事、监事、高级管理人员等人选是否具备管理上述经营实体所必需的知识、经验,以及接受财务顾问关于证券市场规范化运作知识辅导、培训的情况。 本次重组后,何志涛拟对未来上市公司的经营制度、管理模式作出调整,同时何志涛已对本次重组完成后拟提名和推荐进入上市公司的董事、监事和高级管理人员制订了初步计划,提供了相关人员简历。本次交易收购人的财务顾问中国国际金融有限公司及上市公司的独立财务顾问对上述人员进行了相关培训,培训的主要内容包括:上市公司并购重组主要法律法规、上市公司规范运作及信息披露、与上市公司重大资产重组相关的股票异常交易行为监管等,辅导方式包括:学习材料发放、集中授课、讨论学习、专题会议等,辅导取得了良好效果。 根据上述计划和安排,能够保证相关人员具备管理上市公司所必须的专业能力和资本市场专业知识,重组完成后上市公司的董事、监事和高级管理人员结构将与未来上市公司的主营业务及控制权结构相适应,能够保证公司主营业务的正常开展和实际控制权的稳定。 3、本次重组完成后上市公司是否具有持续经营能力,是否符合证监会有关治理与规范运作的相关规定,在业务、资产、财务、人员、机构等方面是否独立于控股股东、实际控制人及其控制的其他企业,与控股股东、实际控制人及其控制的其他企业间是否存在同业竞争或者显失公平的关联交易。 (1)本次交易完成后,上市公司的主营业务将由计算机系统集成和应用软件开发与销售、系统集成及技术支持与服务变更为盈利能力强的移动终端操作系统、中间件平台及相关应用的研发与运营,上市公司的盈利能力将得到有效提升,本次重组有助于提高上市公司的资产质量和可持续经营能力。 (2)本次重组遵守了国家相关法律、法规的要求,履行了必要的信息披露义务,符合《公司法》、《证券法》、《重组办法》和《股票上市规则》等相关法律、法规的规定。 (3)根据何志涛及其一致行动人陈理、郭静波的承诺,本次重组完成后,其将按照有关法律法规的要求,保证上市公司及其附属公司在业务、资产、财务、人员、机构等方面保持独立。 (4)何志涛及其一致行动人陈理、郭静波已出具承诺,在其作为上市公司控股股东及实际控制人期间,避免与上市公司及上市公司控制的其他企业构成同业竞争。 (5)何志涛及其一致行动人陈理、郭静波已出具有关规范关联交易的承诺函,上市公司的关联交易情况及承诺的具体内容详见本预案“第十四节 同业竞争与关联交易/二、本次交易完成后的关联交易情况”。 因此,本次重组符合《问答》第三条第三点的相关规定。 4、按照借壳重组标准与IPO趋同原则,净利润指标以扣除非经常性损益前后孰低为原则确定。 本次拟注入资产2012年和2013年扣除非经常性损益前后孰低的归属于母公司股东的净利润分别为1,173.13万元和8,998.05万元(未经审计)。因此,本次拟置入资产最近两个会计年度根据扣除非经常性损益前后孰低原则确定的归属于母公司股东净利润均为正数且累计超过人民币2,000万元,符合《问答》第四条对于净利润指标的相关规定。 (三)本次重组符合《关于借壳新规持续经营问题的通知》中关于借壳重组的规定 1、置入资产实际控制人没有发生变更 本次交易的置入资产是数字天域100%股份。最近三年内,数字天域的实际控制人均为何志涛及其一致行动人陈理、郭静波,没有发生变更。 2、置入资产最近三年内主营业务没有发生变更 置入资产最近三年内主营业务均为移动终端操作系统、中间件平台及相关应用的研发与运营,最近三年内,置入资产的主营业务没有发生变更。 第五节 交易标的基本情况(置出资产) 本次交易拟置出资产为本公司的全部资产和负债。拟置出资产的基本情况请参见本预案“第一节 上市公司基本情况”。 一、拟置出资产涉及股权转让的情况 截至2013年12月31日,本公司的长期股权投资情况如下: ■ 本次拟置出资产中涉及公司持有的非全资子公司股权转让。 根据《公司法》的相关规定,本公司转让持有的杭州讯能科技有限公司15.72%股权、杭州市江干区和瑞科创小额贷款有限公司10%的股权以及北京世纪速码信息科技有限公司90%股权,需取得其他股东放弃优先购买权的同意函。截至本预案签署日,上市公司已取得杭州讯能科技有限公司以及杭州市江干区和瑞科创小额贷款有限公司其他股东放弃优先购买权的同意函。北京世纪数码信息科技有限公司另10%股权持有者正在办理放弃优先购买权的审批流程,新世纪截至本预案签署日尚未取得该公司其他股东放弃优先购买权的同意函。 二、拟置出资产中其他非股权资产的情况 (一)房屋建筑物情况 截至本预案出具日,本公司房屋建筑物情况如下: ■ (二)土地使用权情况 截至本预案出具日,本公司土地使用权情况如下: ■ (三)知识产权 1、计算机软件著作权 截至本预案出具日,本公司计算机软件著作权情况如下: ■ 2、商标 截至本预案出具日,本公司商标情况如下: ■ 3、专利 截至本预案出具日,本公司拥有3项专利申请权,已取得国家知识产权局核发的《专利申请受理通知书》,该专利申请权的具体情况如下: ■ 三、拟置出资产的预估值 本次交易拟置出资产为本公司的全部资产和负债,采用资产基础法和收益法两种方法进行预估,以资产法基础预估结果作为预估结论。 截至2013年12月31日,经资产基础法预估,置出资产(新世纪全部资产及负债)母公司净资产的账面价值为42,770.62万元,预估值约为43,252.84万元。2014年2月27日,新世纪2013年度股东大会宣告分配股利4,280.00万元,经交易双方协商一致,扣除置出资产中用于分红的4,280.00万元,拟置出资产作价约为38,972.84万元。 其中,对拟置出资产房屋建筑物的预估值情况如下所示: 单位:元 ■ 房屋建筑物预估值增加的主要原因是人工成本及部分材料价格的上升以及近年来房地产市场价格上涨,造成本次交易拟置出资产房屋建筑物的预估值有所增加。 四、拟置出资产的抵押和担保情况 (一)拟置出资产的抵押情况 截至本预案签署日,本次拟置出的资产不存在抵押情况,相关资产转移不存在重大障碍。 (二)拟置出资产的担保情况 截至本预案签署日,本次拟置出的资产不存在担保情况,相关资产转移不存在重大障碍。 五、拟置出资产的债务转移情况 徐智勇、高雁峰、滕学军、乔文东和陆燕承诺,新世纪在交割日当日及之前所发生的以及因交割日当日或者之前的事由(包括本次重大资产重组)而在交割日之后产生的全部债务(该等债务包括任何银行债务、对任何第三人的违约之债及侵权之债、任何或有负债、任何担保债务、经济、法律责任)均由新世纪主要自然人股东指定的置出资产接收公司承担。 新世纪确认,其已经向数字天域全部股东提供截至2014年1月31日的置出资产范围内的全部负债之明细并同意分别在2014年4月、7月及10月(如届时重大资产重组仍未完成,则按每三个月披露一次依次类推)月底之前向数字天域全部股东提供更新的负债明细。 新世纪及新世纪主要自然人股东确认,截至2014年3月24日,新世纪剩余债务总额为209.95万元,全部为非银行债务。 为保证新世纪在过渡期内新发生的产生支付义务或负债的转让,新世纪自债务形成日起至交割日期间与第三方签署产生应付义务或者负债的任何协议、合同或类似具有法律约束力的文件时,应在与第三方签署的上述合同内约定“(债权人)同意新世纪将截至交割日(根据新世纪的另行通知)在本协议项下的全部负债于交割日转移给新世纪主要自然人股东或其另行指定的主体”,且除规定新世纪本次资产重组取得必要批准、同意外,该等第三方的同意不得设置其他额外的限制条件。 徐智勇等5名自然人股东承诺:在交割日时,对于新世纪未取得有效的债权人无条件同意转移文件的负债,徐智勇等5名自然人股东应向数字天域全部股东提供等值于上述负债的新世纪股份(按交割日新世纪股票二级市场价格计算每股金额)作为质押担保,并与相关方签订质押担保协议。 六、拟置出资产职工安置情况 新世纪将根据“人随资产走”的原则办理现有员工的劳动和社保关系转移工作,上述相关人员最终由徐智勇等5名自然人股东或其指定的置出资产接收公司负责安置,安置过程中发生的费用由徐智勇等5名自然人股东或其指定的置出资产接收公司承担。 七、拟置出资产的财务情况 (一)简要资产负债表情况 拟置出资产最近三年的简要资产负债表情况如下: 1、合并资产负债表主要数据 单位:元 ■ 2、母公司资产负债表主要数据 单位:元 ■ (二)简要利润表情况 拟置出资产最近三年的简要利润表情况如下: 1、合并利润表主要数据 单位:元 ■ 2、母公司利润表主要数据 单位:元 ■ 第六节 交易标的基本情况(置入资产) 本次交易拟置入资产为数字天域100%股份,重组后上市公司获得数字天域100%股份。 一、数字天域基本情况 ■ 数字天域于2011年11月21日获得《高新企业证书》,有效期三年,数字天域在证书有效期内,即2011年、2012年和2013年享受国家关于高新技术企业的相关优惠政策,按照15%的税率征收企业所得税。数字天域目前仍符合高新技术企业的要求,并且应于2014年参加高新技术企业的资格复审。北京市科委目前已下发2014年度的高新技术企业资格复审的通知,数字天域已开始准备有关申报资料,参加当年度的资格复审工作。 截至本预案签署日,数字天域股权结构如下表: ■ 二、数字天域的业务与技术 (一)数字天域的主营业务和主要产品 1、数字天域的主营业务 数字天域的主营业务是移动终端操作系统、中间件平台及相关应用的研发与运营,产品覆盖操作系统、中间件、手机基础应用、社交应用、手机管理工具、资讯等。通过预装、网盟、信息推广以及线下渠道,数字天域分发、运营其自有产品和第三方合作产品,为移动终端用户提供综合性的移动互联网应用服务。 数字天域从2007年开始进入移动互联网行业,最初主要从事基于Wap的资讯服务。从2009年开始,数字天域研发并推出了基于功能机和智能机Symbian平台的联络OS中间件,以及包括即时通讯、号簿管理等一系列移动互联网基础工具应用软件。通过中间件平台,数字天域分发、运营联络短信(境外为himessenger)、好联络通讯录爱号、联络圈等多个自有产品,以及与第三方合作的游戏产品,为移动终端用户提供了以手机基础应用为主要内容的综合服务。随着Android系统快速占领智能手机操作系统市场,数字天域对中间件平台进行了升级改造,于2012年推出了基于Android系统的联络OS智能手机操作系统。通过联络OS的推广和运营,数字天域进一步增强了移动互联网产品的分发、运营能力,提高了在智能手机时代的市场竞争力。 截至2013年底,数字天域各类产品累计用户总数达2.98亿。除与中国的三大移动运营商合作外,数字天域还与Vodafone(沃达丰)、Google等全球领先企业进行业务合作;并向超过400家手机制造商、手机设计公司、芯片制造商等终端公司提供手机软件整体解决方案或功能模块。目前,数字天域在北京、上海、广州、西安、香港建有研发、运营基地,业务遍及全球12个国家和地区。 2、数字天域的主要产品 2009年以来,数字天域通过对市场需求和发展趋势的预测和分析,根据自身技术优势和资源能力,研发了移动终端操作系统、中间件平台、基础应用、社交应用、手机管理工具、资讯等一系列产品,包括联络OS、联络短信、好联络、好联络通讯录——爱号等。 ■ 数字天域主要产品标识图 根据功能的不同,这些产品可分为系统平台类产品和应用类产品两大类,各主要产品的用途和功能如下: (1)系统平台类产品 数字天域研发的系统平台类产品主要为联络OS操作系统及联络桌面、运营平台,中间件平台,数字天域通过系统平台类产品分发、运营应用类产品。 A、联络OS 联络OS 操作系统是数字天域研发的一款基于Android系统的智能手机操作系统,联络OS对原生Android系统模块进行了重新设计,以使其成为最适合中国人使用习惯的智能操作系统。联络OS产品经过3年多的迭代开发和产品打磨,已经全面适配了包括高通、MTK、展讯在内的主流芯片平台,在产品用户体验、云OS架构设计、移动互联网运营能力方面都处于业界的领先地位,为广大的手机芯片制造商、方案商、集成商、品牌商提供OS级别的产品预装和移动互联网运营服务。 联络OS智能手机操作系统采用业界先进、高效的软件架构,并行地、而非串行的开发新增功能,能在最短时间内对Android发布新版本进行整合,适配目前Android系统主要芯片厂商。此外,联络OS多变及强大的桌面功能,为软硬件合作伙伴提供了快速定制交互界面的功能,满足各个不同的消费群体。 ■ 联络OS架构图:绿色部分为联络OS新增加强模块,白色部分为Android原生模块 联络OS具有以下技术功能和特色如下: ■ 通过向设计公司、手机制造商提供一揽子解决方案或定制服务,联络OS及相关模块被预装至手机。在与终端公司合作推广的同时,联络OS亦通过系统升级方式向市场推广。 目前联络OS及其桌面已与近200家终端厂商、设计公司合作。数字天域自有或第三方应用通过联络OS的应用商城、桌面、虚框等模块分发至终端用户。联络OS是数字天域在智能手机时代通过技术门槛,低成本地获取客户的工具。 B、联络桌面 联络桌面是一款专门为Sysbian、Android用户设计的手机桌面替换软件,支持有抽屉和无抽屉两种类型;支持使用主题美化随时切换联络OS精心为用户打造的精品主题、精品锁屏和壁纸。联络桌面使用了壁纸的快速渲染器,用户在使用过程中,操作更为流畅。联络桌面的抽屉可以根据个人喜好,选择按时间、名称排序,支持网格和列表预览应用,还可以随意地隐藏一些不希望被别人看到的私密应用。联络桌面除了支持系统的标准的小插件外,还突破了系统的限制,推出有特色的小插件。联络桌面采用半开放式设计提供配置文件,客户可以自行进行桌面制定,完成默认主屏配置、桌面屏幕数量配置、桌面滑动动画效果配置、抽屉滑屏动画效果配置、主题配置、壁纸配置等,以满足多样化的UI需求。 联络桌面作为既可以操作系统的组成部分随联络OS一起推广,也可以作为独立的终端产品推广使用。 C、运营平台 运营平台是数字天域研发的一款为合作的内容提供商提供统一的接入,并将接入的内容通过ROM、桌面、合作推广渠道等多种渠道对终端用户进行分发提供,同时通过合作的第三方支付公司或运营商计费通道进行计费的综合业务平台;数字天域主要负责接入产品管理、推广渠道管理、业务运营分析、收益结算与技术升级维护等,保证平台业务的规范与稳定运行。 运营平台推出使数字天域能整合移动互联网产业链的各种资源,保证平台运营功能的实现。 D、中间件平台 针对功能机的特点,数字天域研发在多个硬件平台之上可以统一部署,统一分发,统一运行的中间件平台,极大的降低了在功能机上的应用开发难度,实现一套代码多种平台可以同时运行的能力。使得功能机具备了智能机一样的可下载,可安装独立APP成为可能。从而大大的丰富了功能机的内容和使用场景。数字天域研发的联络短信等各种应用,以及第三方合作游戏等,均能够通过中间件平台分发至终端用户。 数字天域研发的中间件能与所有的市场主流的芯片,如MTK系列、展讯系列相适配,通过中间件平台,数字天域的产品为包括联想、飞利浦在内的数百家手机制造商、手机设计公司采用。 (2)应用类产品 应用类产品是公司面向终端用户、直接为终端用户提供服务并获取收益的产品。 A、基础应用 基础应用类产品是数字天域围绕移动终端基础应用研发的一系列产品。 ①联络短信/himessager 联络短信是数字天域研发的一款用以改善短信阅读体验的手机应用软件,并具备日常收发短信的功能。该软件支持触摸屏的设计,并能提供多语言选择。联络短信可为用户提供自选的Flash短信模板及字体,具有独立的mobile flash播放引擎,实现通过发短信的方式获得彩信的阅读体验。该产品同时在国内和国外运营,是数字天域报告期主要收入来源之一。在国外运行时联络短信被称为himessager。 报告期,联络短信/himessager活跃用户及实现收入如下: ■ 联络短信/himessager报告期内境内外实现收入情况如下: ■ 报告期,联络短信收费标准和分成比例如下: ■ ②好联络通讯录爱号 好联络通讯录是数字天域研发的一款管理用户手机通讯录的客户端软件,其功能主要包括号码搜索、智能拨号、联系人头像、个性化的名片、个性化的手机铃声、联系人智能分组等。通过好联络,用户可以向手机通讯录里存有的真实联系人好友显示当前状态、免费发送短信,并管理短信、联系人和其他拓展辅助性其他功能。 好联络的基本功能是免费的,其收入主要来自用户按需求下载所需的付费铃声或图片。为此,数字天域通过对好联络通讯录的进一步开发,推出了一款具有良好商业模式的生活信息服务类的应用软件——爱号。爱号集号码搜索引擎、号码管理、智能拨号、来去电显示于一身,具有庞大的商户数据库,还可以根据个人需要添加云端定制的各种个性化号库。与其他生活服务类应用相比,爱号具有一键拨打实用快捷,地理位置与交通指引清晰便捷,且搜索对象不限于餐饮业等特点。 报告期,爱号主要与中国联通进行合作 ,由联通向客户推广基于爱号基础数据的各类应用,数字天域通过向中国联通提供基础数据支持服务获取收入。中国联通向数字天域按每个订购用户1.5元/月的标准支付费用。 根据中国联通的相关规则,与联通合作的应用服务必须首先在一个地区(省)进行试点,然后逐步推广,最后推向全国。在广东省试点的基础上,数字天域已与中国联通达成协议,2014年在四川、河北等省推广爱号业务。数字天域拟逐步将爱号业务推向全国。 报告期,好联络通讯录爱号的活跃用户数及收入如下: ■ 报告期,好联络通讯录爱号的收费标准和分成比例如下: ■ ③好天气 好天气是数字天域研发的一款手机端的天气软件,为用户提供全面的天气信息、多种天气更新频率及自主选择城市天气的功能,当用户开启好天气软件,将会显示该默认城市最近4天的天气情况,同时可以查询全球的城市天气。 报告期,好天气活跃用户数如下: ■ 好天气主要通过植入广告栏(如联向“凡客”)创造的用户点击,以及链接导向从商家提取分成产生收入。 ④享拍 享拍是一款基于API的多个微博平台及SNS同步的手机软件。通过享拍,用户可以向已注册的各个微博平台发送消息。其中包括:新浪微博、腾讯微博、搜狐微博、百度说吧、网易微博、嘀咕、人民网微博、人间网、开心网、人人网等十多个微博及社交网络平台。 ⑤流量管家 流量管家是一款为用户提供智能化流量管理服务的软件,可以有效管理用户的手机流量,防止套餐流量浪费和溢出套餐流量产生高额话费。在用户套餐使用完后,智能地向用户推荐最经济划算的追加套餐,避免用户因超过套餐而导致的资费暴增。 流量管家可以作为一款独立的应用向市场推广,也可以为丰富联络OS 功能免费推荐给联络OS用户使用。 ⑥备份助手 备份助手可以帮助用户将手机中的通讯录信息备份到网络侧,并从网络侧恢复到手机中。 B、社交应用类产品 ①联络圈 联络圈是数字天域研发的一款基于手机客户端的移动互联网社交应用软件。联络圈以群组概念为核心,用户可以自行创建,管理和参与群组;在群组内进行沟通,文字讨论,图片分享,发起投票以及地理位置共享等;此外,用户可以通过使用联络圈发起和管理线下和线上的活动,邀请群组内的朋友参加。 ②享说 享说是一款基于移动互联网的好友分享社交软件。用户可通过享说找到朋友及朋友的朋友,构建以亲密朋友组成的更小众的封闭圈子,与圈内用户分享信息、照片、其他内容等。定位为“全方位的私密生活信息分享平台”或“私博”。 C、其他产品 ①Free wap 该产品是为wap用户提供站点导航服务的业务平台,用户可以通过free wap 页面方便快捷的找到自己所需的wap网站,实现轻松的网上冲浪。 Free wap主要通过植入广告或与所链接的对象进行收入分成获取收入。 ②拇指购 拇指购是数字天域开发的基于html5的电子商务导流平台,拟通过与联通支付工具,以及综合类电商、垂直电商、团购等电子商务平台合作,实现轻量级电子商务价值链整合。 ③魔塔星球 数字天域研发的魔塔星球是一款基于塔防战斗和好友机制为一体的社交塔防网络游戏,集塔防(TD);位置服务(LBS);升级建设(EDU)社交系统(SNS)和即时战略(RTS)为一体,具有全新的社交概念,丰富的游戏玩法,庞大的故事背景,新颖的联机塔防模式。 (二)数字天域的运营模式 1、数字天域业务模式 数字天域研发联络OS 、中间件等系统平台类产品,作为其自有应用产品和第三方合作产品的承载平台,通过与终端公司合作将上述产品预装至手机等智能终端,随硬件产品的销售完成产品的分发。通过与移动运营商、支付服务商的合作,数字天域运营应用产品并实现收益。报告期,预装是数字天域产品分发的主要途径。 除通过自有渠道预装分发外,数字天域还通过非自有OS平台,以及网盟、信息推送、线下渠道等途径分发第三方产品。 报告期,数字天域的主要业务是自有产品和第三方产品的分发与运营。 数字天域的发展目标是在联络OS、中间件平台、自有移动互联网业务及第三方合作业务的基础上,进一步扩大终端厂商范围,拓展合作渠道和合作内容,成为国内领先的移动互联网分发、运营平台。 ■ 数字天域业务概要图 2、数字天域业务流程 数字天域的的业务流程包括主要包括研发和合作产品选择、发行推广(分发)、运营管理三个环节。 (1)研发和合作产品选择业务流程 数字天域产品的研发流程主要包括确定开发目标、项目立项、前期准备、开发、测试和发布等阶段。为确保项目全过程的可控性,数字天域建立了严密可行的研发管理流程。 A、确定开发目标。根据市场需求、社会热点等信息,形成产品规划,并结合数字天域自身资源和技术特点决定所要开发的业务类型以及开发周期。 B、项目立项。由产品经理提出产品设计方案,即项目流程图等内容,确定功能流程、亮点以及计费方式等并组织讨论。设计人员及程序开发人员从各自的角度出发,对设计方案提出修改建议,并将最终通过的优化建议添加到整体设计方案中。 C、形成项目立项工单。产品、美术设计、研发各团队的相关工作开始启动。设计人员根据方案中的需求绘制一系列交互及UI稿件,并将制作出来的图片分别交付研发及产品人员;研发团队根据产品设计方案将设计人员提供的图片放入产品中,并作出适当的修改和调整,最终生成产品。 D、测试与交付。初始产品提交给测试人员进行测试,将所得结果反馈给研发团队及产品经理。之后由产品经理、美术或研发相关人员根据测试反馈报告做出相应调整。经过反复多次测试,直至确认无误之后,形成正式的可运营产品。 研发业务具体流程如下图: ■ 数字天域研发流程图 除研发自有产品外,数字天域还分发、运营第三方产品。第三方产品按以下流程选择和确定: ①寻找可合作内容产品。根据市场需求、中间件等运营平台的技术要求,由商务人员寻找、商谈合适于当前市场需求和氛围的可合作内容产品。 ②项目立项。在外部合作产品寻找流程中,需要在立项时,组织产品、运营人员对产品进行评估,并初步确定运营方案。 ③测试。将合作内容进行反复测试,确认无设计缺陷及BUG后,形成可上线产品。 为了保证产品质量和可靠性,数字天域还建立了严格的产品测试和验收工作流程,具体流程如下: ■ (2)发行推广(分发)流程 ■ 数字天域业务流程图 备注:红色底色部分为数字天域业务内容 A、组织开发团队与运营人员形成产品的发行推广方案,对于版权类产品,根据需要与内容资源版权提供商商谈合作发行推广方案。 B、根据产品特点选择一个或多个推广渠道,并根据渠道特点对产品进行设计调整。 数字天域的推广渠道包括: ①终端公司合作渠道。数字天域提供为终端公司提供整体解决方案、功能模块或定制服务,将数字天域ROM、联络桌面、中间件产品、自有应用、第三方应用通过内置或预装的方式安装于手机,并随手机的销售到达终端用户。 ②网盟合作。数字天域与各种网盟渠道合作,通过网盟渠道推广自有应用及其他各类合作第三方应用。 ③线下渠道合作。数字天域与各类线下渠道,如通信运营商、手机销售商进行合作,通过营业厅、销售网点等渠道,或以系统升级的方式推广联络OS,联络桌面等产品。同时,数字天域也会将一部分第三方产品,如游戏等,以代理的方式通过线下渠道推送至合作的其他营运平台。 数字天域的线下推广均通过合法手段进行,不存在利用非法途径和手段窃取用户利益的情况。 ④信息推广。数字天域与短信推广及电子市场等公司合作,推广各类自有应用及第三方应用。 终端公司合作推广是数字天域产品分发主要渠道。通过终端公司合作推广,需要根据合作伙伴和渠道的要求,对ROM、联络桌面、虚框下载、Widget产品的进行针对性的设计、开发,在这些产品中集成数字天域自主研发产品及其他合作第三方应用业务,包括游戏及其他各类应用。 C、对于手机游戏产品,若需通过运营商游戏相关业务平台进行产品发行与营销推广,需向运营商申报产品发行推广方案;并且搭载对应的计费管理接口。 D、根据初期的市场反应对产品进行优化, 之后在全渠道进行产品的发行与推广。 E、根据发行效果和收入结算情况,对发行推广方案进行分析总结。 (3)运营管理与分析 数字天域营运管理和分析流程主要包括应用/游戏接入、计费接入、营运管理、用户使用、收入与费用结算等环节。 A、应用(或游戏)接入 应用提供商、游戏开发商等提供业务介绍、业务测试账号、业务截图等相关资料,数字天域在产品管理平台安排应用上线接入。 B、计费接入 ①与SP或运营商进行计费合作,以内容合作、渠道合作的模式建立与各大业务基地的合作,申请并获得各个业务基地的计费资质及计费代码。 ②第三方支付公司计费合作,确定计费和结算模式。与各类第三方支付数字天域合作,通过灵活的商务模式,接入短信计费、WAP计费、支付宝、银行卡结算等各种计费模式。 ③建立计费合作后,由运营商及第三方支付公司提供相应计费模式的计费信息、计费接口,数字天域完成计费接入。 报告期,数字天域国内业务的计费主要通过与SP合作的方式开展,随着运营商各大基地业务的发展,数字天域将与三大运营商的游戏、阅读、MM应用等基地建立全面合作关系,以获取与业务相适宜的计费资质和能力。 在海外,数字天域的运营模式与国内基本相同,即通过与运营商和计费服务商合作将服务推向用户。 C、运行管理 ①产品管理。数字天域产品管理平台对自有应用及合作第三方应用进行产品管理,分类产品类别,建立产品基本信息、产品标识、开发商标识、产品对应推广渠道、计费代码等信息,并分地区、渠道统计分析各类各款产品的下载、收入情况,为产品及整体运营的优化提供参考。 ②计费管理。数字天域计费管理平台对运营商计费及其他接入第三方计费代码进行管理,分别建立各类计费代码的基本信息,并建立各类计费模式与产品、推广渠道的对应关系,统计各个计费代码的收入信息,为结算提供依据。 ③渠道管理。数字天域渠道管理平台对自有业务推广及合作渠道进行统一管理,分别为各个合作渠道的各项业务合作建立详细的信息,并统计各个渠道各款产品的下载、收入等各项信息,为优化渠道合作提供参考。 D、用户使用产品和服务 在数字天域通过与各个渠道合作将各款应用推广到市场上以后,用户浏览、下载使用相应应用,并订购应用。 E、收入和费用的结算 ①运营商及第三方计费公司与数字天域结算收入。按照结算对账周期,运营商及第三方计费公司与数字天域进行业务收入对账,并进行结算,由运营商及第三方计费公司向数字天域支付信息费。 ②渠道合作方收益结算。按照结算对账账期,数字天域与渠道合作方进行业务收入对账,并进行结算,由数字天域向渠道合作方支付合作费用。 ③应用及游戏开发商收益结算。按照结算对账账期,数字天域与应用及游戏开发商进行业务收入对账,并安排结算,由数字天域向应用及游戏开发商支付合作信息费。 根据数字天域与中国联通签订的业务合同,约定:数字天域与中国联通每自然年进行一次结算,中国联通广东省分公司在结算后6个月内向数字天域提供书面年度结算单,数字天域收到结算单30个工作日内,联通完成付款。 F、运行分析 对在数字天域联络OS中间件平台运营的产品,数字天域根据数据分析系统对产品上线以后的各项运营指标进行严密监控并进行及时有效的数据分析。 数字天域根据运营分析结果,可以针对性的加大市场宣传力度,开展营销活动,并针对厂商进行重点推荐,同时根据用户的使用习惯、付费意愿和程序运行情况等不断进行产品优化与完善,由此提升产品的收益水平。 报告期,数字天域已建立了数字天域业务运营平台和分发渠道。未来,随着联络OS等系统平台产品的推广,数字天域产品分发、运营能力将进一步加强。 (三)主要产品收入的实现与确认 应用类产品是数字天域实现收入的主要构成部分。用户使用数字天域的应用类产品(包括第三方合作产品),按照该产品的付费要求向运营商或第三方支付服务商支付费用。运营商或第三方支付服务商费用根据与数字天域的约定,按照一定的周期(一般按月)与数字天域进行业务和收入的核对,并按约定进行结算。 终端用户向运营商或第三方支付服务商支付费用的主要方式如下: ■ 数字天域的应用类产品中,享说、享拍等采取免费使用模式,主要用于增加用户对数字天域产品的整体认同和黏性。 系统和平台类产品是数字天域平台化运营的支撑,是数字天域通过技术门槛低成本地获取客户,从而为数字天域进行应用分发、联合运营创造条件。系统和平台类产品本身不直接产生收入。 除上述主要业务外,数字天域还开展了向第三方提供研发软件,以及代理运营商销售2G、3G网卡等业务。根据具体产品的不同,数字天域按如下方式确认收入: 1、应用服务的收入确认方法 数字天域在收到互联网服务商提供的计费账单,并经数字天域相关部门核对结算金额后,确认业务收入。 2、游戏业务收入确认方法 数字天域与平台运营商合作运营游戏项目,游戏玩家充值虚拟货币购买虚拟道具,数字天域在取得合作方提供的按协议约定计算的计费账单,并经数字天域相关部门核对结算金额后,确认为收入。 3、联通代理服务收入确认方法 数字天域在收到联通公司提供的计费账单,并经数字天域相关部门核对结算金额后,确认业务收入。 4、软件开发收入确认方法 软件开发项目在同一会计年度内开始并完成的,开发完成后软件成果的使用权已经提供给客户并取得客户验收报告,收到款项或取得收款证据时,确认收入。 软件开发项目的开始和完成分属不同的会计年度的,在合同的总收入、项目的完成程度能够可靠地确定,与项目有关的价款能够流入,已经发生的成本和完成该项目将要发生的成本能够可靠地计量时,在资产负债表日按完工百分比法(工程完工进度)确认劳务收入。 对在资产负债表日劳务交易结果不能可靠估计的软件开发项目,如果已经发生的成本预计能够得到补偿,应按能够得到补偿的收入金额确认收入,并按相同的金额结转成本;如果已经发生的成本预计不能全部得到补偿,应按能够得到补偿的收入金额确认收入,并按已发生的成本结转成本,确认的收入金额小于已经发生的成本的差额,确认为损失;如果已发生的成本全部不能得到补偿,则不应确认收入,但应将已发生的成本确认为费用。 5、技术服务收入确认方法 技术服务是指数字天域为客户提供软件应用、实施等软件服务实现的收入。包括但不限于:免费服务期后的系统维护、数据修复、技术业务咨询服务、技术支持、应用培训等技术服务;其他为客户(包括使用非数字天域产品)进行的技术支持、技术应用及技术咨询等服务。 相关服务已经提供,收到价款或取得收取款项的证据时,确认劳务收入。 (四)业务发展状况 1、用户数 随着数字天域业务的发展,报告期使用数字天域产品的客户数量不断增加。至2013年底,数字天域运营产品的累计用户数达2.98亿。 ■ 2、报告期主要业务收入情况 报告期,数字天域主要运营收入快速增长,报告期数字天域实现收入如下: 单位:万元 ■ 3、数字天域主要客户 报告期,数字天域前十名客户及实现收入情况如下: (1)2013年前十大客户 ■ (2)2012年前十大客户 ■ (3)2011年前十大客户 ■ 由于终端客户向移动运营商或支付服务商支付费用,移动运营商或支付服务商再按双方约定进行收入分成,并向数字天域支付费用。故数字天域的客户主要为移动运营商或支付服务商。 (五)核心业务人员情况 陈理先生:陈理先生负责数字天域新技术的研究,市场数据的分析、研究。陈理先生在互联网及网络应用客户端方面有10多年的工作经验。曾任圣方科技研发经理,北京3721网络科技有限公司研发工程师、北京酷宝网络科技有限公司技术总监。主导或参与研究开发的产品有中国第一代有线电视网VOD 数字点播有线电视系统、增强型好联络手机通讯录客户端、IM及软件电话的客户端及网络云端设计。 刘洋先生:刘洋先生担任数字天域COO,负责数字天域产品的市场运营、策划及管理。刘洋先生曾在雅虎中国、奇虎等公司担任QA经理、产品经理等职务,对产品的核心技术、品牌搭建、质量管理、运营流程有着深刻的理解。在加入数字天域后,担任数字天域COO,依靠丰富的产品运营维护及市场推广经验,现主要负责数字天域品牌产品号码搜索、联络短信的运营及联通支付项目的管理。 肖静女士:肖静女士负责数字天域产品线布局、策划、设计工作,并担任数字天域多个品牌项目的主要负责人。肖静女士曾服务于雅虎中国、盛大浩方、诺基亚、A8集团等公司,负责了雅虎邮箱、雅虎通、浩方游戏对战平台、维信的运营、研发。加入数字天域后,担任数字天域CPO ,负责数字天域通讯录、联络圈、联络短信、享说、享拍、联络桌面等产品运营以及数据挖掘等工作。 苑辉先生:苑辉先生担任数字天域运营总监。苑辉先生曾服务于浩方在线、华动飞天、卓望信息等公司,曾参与139移动互联、CNTV中国网络电视台的早期建设工作,具备充分的互联网领域产品及运营工作经验。现负责数字天域魔塔星球手机游戏应用的研究开发、市场推广及运营工作。 吕万洲先生:吕万洲先生负责数字天域联络OS基础技术平台建设、产品管理等工作。吕万洲先生曾先后就职于UT斯达康、龙旗科技(上海) 股份有限公司,负责PHS和CDMA手机开发、3G智能终端的产品管理和市场推广工作。在创新工场(点心OS)期间,负责点心OS产品规划、迭代开发,是国内最早为手机品牌商提供OS整体解决方案的技术团队负责人。加入数字天域后,负责联络OS从Android4.0开始完成了200余项的功能开发和性能优化,开发了应用商店、游戏中心、主题美化、上网助手、在线视频等移动互联网的入口级应用,主持开发了OS自动化更新系统、云OS管理系统、云OS硬件盒子管理平台等。 腾代友先生:滕代友先生主要负责数字天域联络ROM的架构设计和研发管理。 滕代友先生曾任职于上海环达、上海联芯科技、北京风灵科技创景有限公司,有八年以上移动通讯行业经验,是国内最早一批从事Android研究和实际开发人员之一。负责完成了Android平台上基本电信业务开发和当年中国移动3G定制机优秀库入库要求的全部开发内容,其中包括Android上的几大自研特性的开发、组织了MTK+VIA双卡双待双通电信A库项目的开发和推进 、QCOM与TD modem双通方案预研和风险评估。加入数字天域后,完成实施了联络OS多种平台方案,使联络OS支持MTK 6582/6589/MTK6582/6572/65X5/65X7手机芯片平台、MT8389/MT6589 PADD平台产品和展讯平台6820/6825/7710等平台产品,组织实施了联络云OS相关方案。 (六)质量控制情况 为确保产品和服务质量,数字天域从行业和自身实际出发,不断建立和完善质量控制体系和规范,从产品的研发到正式上线后的运营,均建立了完整、系统的质量控制体系。 1、建立了涵盖研发、运营的质量控制规范 数字天域建立的质量控制规范主要有: (1)《数字天域项目流程规范》,主要对研发项目的过程进行监控和规范。 (2)《数据后台项目流程规范》,主要对数据项目的过程进行监控和规范。 (3)《版本管理规范》,主要对数字天域产品的版本管理进行规范。 (4)《产品验收标准与流程》,主要用以指导数字天域产品测试执行,保证测试产品质量。 (5)《运营回访流程》,用以规范数字天域营运回访流程。 (6)《客服部工作流程与规范》,用以规范数字天域客服系统包括投诉受理在内的工作流程。 (7)《运维管理规范》,主要规范数字天域内部IT环境以及业务运行后台的维护与管理,包括数据备份、运行状态监控、应急故障处理等。 2、建立了从事质量控制和管理的专门部门 为了保证研发产品和服务运营质量,数字天域有一名副总经理分工负责数字天域的质量工作。数字天域内部设有测试部,负责数字天域的质量控制及管理。测试部负责制定和完善数字天域质量控制规范,执行质量控制流程,并对数字天域各业务环节的质量控制流程进行监测和管理。 报告期内,数字天域严格执行各项质量控制规范,所研发产品无明显质量缺陷;在运营过程中也未发生被客户投诉,或因产品或服务质量原因与合作伙伴产生纠纷的情况。 三、数字天域主要财务数据 (一)合并资产负债表主要数据 单位:万元 ■ 注:以上数据未经审计 报告期内,数字天域未经审计的应收账款及应收账款周转率情况如下: ■ 报告期内,数字天域期末的应收账款净额分别为1,049.78万元、5,966.69万元和17,093.72万元,应收账款周转率分别为4.72倍、2.75倍和1.55倍。 截至2014年3月28日,2013年末已到账期的应收账款已回收5,252.10万元,尚未收回的已到账期的应收账款为5,515.05万元,2013年期末应收款主要客户为中国联通、Electricity and Telecommunications Payment Solutions JSC、E.C.Pay和国内SP。 (二)合并利润表主要数据 单位:万元 ■ 注:以上数据未经审计 (下转B24版) 本版导读:
发表评论:财苑热评: |







