证券时报网络版郑重声明经证券时报社授权,证券时报网独家全权代理《证券时报》信息登载业务。本页内容未经书面授权许可,不得转载、复制或在非证券时报网所属服务器建立镜像。欲咨询授权事宜请与证券时报网联系 (0755-83501827) 。 |
汉麻产业投资股份有限公司重大资产置换及发行股份购买资产并募集配套资金暨关联交易报告书(草案)摘要 2015-05-25 来源:证券时报网 作者:
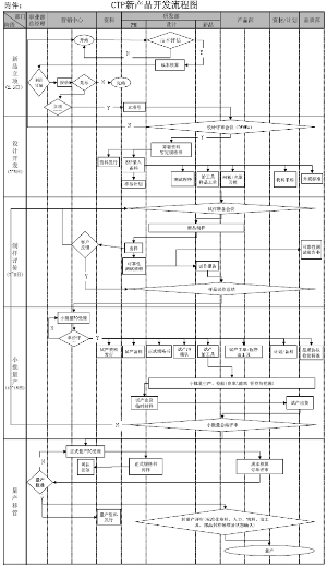
(上接B10版) ■ (二)业务发展历程 1、光学镜头业务 公司成立时,光学镜头业务承接了台资股东的产业、技术及业务转移,并引入了国内优秀的、有丰富行业经验的技术管理团队。公司对光学行业未来发展趋势进行充分研究,并结合团队自身的技术积累,确定了重点研发生产各类搭载在移动互联影像装置上的高像素成像镜头的业务方向。 公司在多年发展过程中,不断引入光学领域优秀的技术人才、充实研发团队,拥有较强的自主研发创新能力,获得多项专利授权并荣获多项省级新产品奖项,同时在业务发展中也积累了丰富的独创工艺和技术经验。公司目前已拥有国际先进的光学镜头精密检测仪器和高精度的生产设备,具备各类镜头及保护玻璃的设计与制造能力,具备球面与非球面镜片的全工程制造能力。 光学镜头业务发展初期,公司在营运规模相对有限的情况下,结合行业趋势、产品盈利情况,对产品结构不断进行优化,先后在扫描仪镜头、手机镜头、数码相机镜头、高清广角镜头等产品领域进行探索及调整。目前公司主要产品为高清广角镜头,下游应用领域包括运动相机、车载监控、网络监控等,公司力争先在细分领域取得突破、成为行业领导者,因此将业务重点放在可穿戴影像产品---运动相机镜头领域。根据Frost & Sullivan(弗若斯特&沙利文数据)的市场研究报告,2014年全球运动相机出货量为780万台。而在2014年公司运动相机镜头的出货量为690万颗,成为全球最大的运动相机镜头供应商。公司自2009年开始为一家国际性影像攫取装置公司生产高清广角镜头,并与这家国际性相机公司(以下称D公司)建立了长期、稳定的合作关系。公司为D公司的相机产品线设计、制造和供应镜头,在2014年公司被D公司授予最具灵活的供应商称号。公司一直致力保持竞争力以巩固此关系,公司已经与D公司签署了设计、制造和供货协议,该协议为相互之间的合作提供了框架。 2015年,公司一方面继续维持运动相机镜头领域的市场份额,并随行业总量需求的增长而扩大生产规模;另一方面发挥公司在高清广角镜头的技术优势,开始涉猎车载监控、网络监控市场。同时公司计划本次募集配套资金,投资高像素手机镜头项目,丰富公司光学镜头产品线,改变国内高像素手机镜头依赖进口的现状,占据最具发展潜力的细分市场。 2、触控显示业务 公司是国内最早进入触摸屏领域的生产企业之一,自2008年开始生产电阻式触摸屏,2010年开始生产电容式触摸屏,相继推出GG、GF1、GFF、OGS技术的电容式触摸屏。通过整合上下游优势资源,打造从玻璃盖板(cover lens)、ITO Sensor、SMT封装、TP邦定、显示模组、触控显示贴合的垂直一体化产业链,成为触控显示组件一站式解决和服务提供商。通过聚焦“大客户战略”,不断调整产品结构和优化客户结构,目前已供应触控产品给中兴通讯(含全通兴飞、中兴移动、杭州中兴)、华硕、TCL、三星、京东方、海信等知名客户。 2012年9月,为进一步丰富公司触控产品线,公司设立子公司江西联创(万年)电子有限公司,开始生产中大尺寸电容屏,集中服务于TCL、万利达等客户。 2013年5月,为顺应触控显示一体化的行业发展趋势,公司设立了江西联星显示创新体有限公司(江西省首批科技协同创新体之一),开始生产中小尺寸高清超薄液晶显示模组。 2014年9月,公司与京东方建立战略合作伙伴关系,从TFT玻璃资源、液晶显示模组、触摸屏及全贴合等领域展开全面合作,以保证触控显示一体化趋势下占据有利地位。 2014年11月,公司与韩国美法思合资组建江西联思触控技术有限公司,注册资本5000万美元(联创电子占60%,美法思占40%)。合资公司整合了双方在触摸屏领域的资源,项目计划总投资1.5亿美元,未来将形成年产8,400万片电容式触摸屏、7,200万片显示模组及7,200万片全贴合产品的生产能力。美法思是韩国专业从事触控显示IC及触摸屏模组研发、生产的领先企业,是三星、LG触控IC和触摸屏的主要供应商,曾荣获“三星电子十佳供应商”。通过与美法思合作,有利于公司掌握触控IC和触摸屏的最新技术发展动态,并借机打入三星等国际化大公司的供应商体系(联思公司已通过三星验厂,5月开始批量供货)。公司逐步打入行业一线品牌客户的供应商体系,将使公司业务规模进一步扩大,并提升产品技术档次,打造具有核心竞争力的一流触控显示企业。 2015年5月,公司与美法思签订合资设立模拟芯片专业公司意向书。为应对手机行业(包括手机品牌公司、手机方案公司、手机部件公司)整体产业链及供应链网络在中国市场的大规模发展,美法思公司有意向在中国建立芯片开发、生产及销售基地,一方面降低原材料采购成本和生产制造费用,提高产品竞争力,另一方面给客户提供更快的技术支持、更短的产品交货期。公司作为美法思在中国触摸屏市场最重要的合作伙伴,将与其成立合资公司,实现在触控芯片领域的产业延伸,这将使公司在触控显示业务上掌握产业核心环节,提升公司产品档次和技术附加值,增强产品竞争力,更好的为客户提供“软硬结合”的触控显示一站式整体解决方案,并更快推动产业升级。 (三)业务经营架构 公司具体业务经营架构如下图所示: ■ ■ 二、主要经营模式 公司采购、生产、销售的基本业务流程如下: ■ (一)光学镜头业务的经营模式 1、经营模式 公司光学镜头业务由光学事业部独立运营,事业部进行独立考核,进行采购、生产、销售、库存的精细化管理,有助于降低成本,提高业务的运营效率。 (1)销售模式 目前公司高清广角镜头产品主要销售给运动相机领域的知名制造商,如群光、天彩、捷普,这些企业2014年运动相机的出货量占全球份额的69%。公司与一家国际性影像攫取装置公司签署了设计、制造和供货协议,该协议为相互之间的合作提供了框架,自2009年以来公司为该公司的相机产品线设计、制造和供应镜头。同时公司逐步扩大客户范围,与海康威视、小米(小蚁)、法国Parrot等知名企业陆续开展业务合作,直接向其提供高清广角镜头及其他新型产品(如液体镜片)。目前公司已成为小米(小蚁)运动相机镜头的第一供应商。 公司光学镜头业务采用直销模式,可以与客户在市场需求、产品功能等方面保持持续性沟通,与客户合作共同开发出顺应市场需求的最领先的产品。客户产品个性化的要求导致公司产品多为定制化,基本根据订单要求组织生产,一般不存在交货后剩余的滞销库存。只有在客户有明确意愿,且公司有把握订单将很快下达时,才会提前进行生产备货,保证交货时间。 公司通常给予客户一定的信用周期,根据不同客户的资信情况确定不同的信用期和信用额度,光学镜头类客户信用期一般为月结60天。公司下游终端客户多为知名品牌商,且与公司保持稳定的合作关系,具有较大的资产规模、良好的商业信用、付款能力强,信用风险较低。 (2)采购模式 公司光学镜头产品在市场中处于领先地位,公司在选择供应商时,首先考虑原材料的品质,然后对供应商的资质、信誉、服务、价格水平进行综合评估,每种物料至少选择两家供应商进行比较。公司对供应商进行定期考核管理,以保证原材料的质量和及时供应。针对一些特种材料(主要为进口),市面上仅有一两家供应商,公司选择余地有限,为防止未来受到供应商的制约,公司已通过各种方式寻求替代方案,包括自身研发生产关键物料、寻求功能相似的替代原料等,以保证原材料供应的稳定性。 对于常规物料,公司与供应商达成协议,由供应商无偿为公司备货,公司实现零库存。而针对需要进口且供货周期较长的原材料,公司会根据生产计划维持合理库存,保证生产的连续性。 (3)生产模式 公司根据订单,按产品类型、专线专品生产,生产流程如下:销售部门接到订单后首先进行评审,然后拟定生产计划和交货计划,计划完成后仓库发料,经检验后交生产部门组织生产,最后经品质检验包装入库。公司对员工进行系统培训,使员工养成注重产品品质的良好习惯,生产部门员工工资与产品品质挂钩,确保员工有动力不断追求精益求精和持续改善,提高产品品质、降低生产成本。同时公司积极研发具有独创性的定制化设备,逐步提高机械化程度,提高生产效率。 2、工艺流程 ■ (二)触控显示业务的经营模式 1、经营模式 公司触控显示业务生产环节较多,目前由触控玻璃事业部、联思公司、联创万年、联星显示、联创鸿健、联创华泰分别运营。各主体独立运营、独立考核,又相互配合、紧密合作,进行采购、生产、销售、库存管理,由公司副总裁统筹触控显示事业群的经营工作。 (1)销售模式 公司产品线齐全,可以为客户提供触控显示一站式的服务,为客户提供具性价比的、高附加值的产品。在与重要客户合作过程中,公司可发挥自身一体化产业链的整合优势,协同各事业部及子公司进行资源整合,不仅使产品的技术、性能保持最大匹配性,而且在公开成本竞价时也能占据优势,向客户提供具性价比的产品。 公司实行客户备案制,对客户进行综合管理,有专人负责与客户定期沟通,了解未来订单的持续性,并特别加强对客户新品开发的密切关注,使公司在竞标时占有优势。公司为保持与重要客户的良好关系,体现公司合作诚意,允许客户在两天内取消其下达的订单,增强了双方后续合作的好感度。 在客户信用管理方面,公司一直以来十分重视客户的信用管理,对不同客户进行分类管理,给予不同的信用账期,一般为月结30-60天。对于老客户,财务部定期进行信用等级评估,根据客户以往的产品销售额、货款支付及时性及客户经营情况是否发生变化等因素更新客户信用等级。销售部门在财务部的配合下,主要负责款项的回收工作。公司对应收账款采取了持续监控措施,对应收款项的回收情况实施严格的跟踪管理,销售回款情况与销售人员的业绩相挂钩,从源头上保证客户信用及应收账款的质量。 (2)采购模式 公司经过多年的生产经营,逐渐形成了稳定的采购渠道。公司选择供应商时,对供应商资质、财务状况、信誉、产品、服务、质量、环境管理体系、专业度、技术力量、价格水平等综合评估,并对供应商提供的样品进行测试,测试合格后,录入合格供应商名录,且每种物料至少选择两家供应商进行比较。公司还会对供应商进行定期考核管理,以保证原材料的质量和及时供应。 具体原材料的采购由各经营主体自主实施,根据订单情况及生产计划,分批次向供应商进行采购,对原材料库存进行总量管理,既保证生产的连续性,也降低存货的运营风险。原材料采购采用额度审批程序,大额采购需要公司分管副总裁批准。 公司在生产触控显示一体化产品时,有时会根据客户要求,从指定的供应商处购买显示模组,但这不会影响其他原材料的独立采购。 (3)生产模式 公司各主体有明确的业务分工,根据订单需求,按产品类型、专线专品生产,生产流程如下:销售部门接到订单后首先进行评审,然后拟定生产计划和交货计划,依据计划开具工单,凭工单到仓库领料,经检验后交生产部门组织生产,最后经品质检验合格后包装入库。同时由于公司产品线具有一体化的特点,各生产主体在实际生产中可针对技术问题协助互补,提高了生产效率,也降低了成本。公司对生产人员进行系统培训,使员工养成注重产品品质的良好习惯,制定科学的IE工时,注重精细化管理,提高生产效率、降低生产成本。 2、工艺流程 公司触控显示产品类别较多,按大类分如下: (1)Sensor黄光制程工艺流程图 ■ (2)GF结构电容式触摸屏制造工艺流程图 ■ (3)GFF结构电容式触摸屏制造工艺流程图 ■ (4)G+G结构电容式触摸屏制造工艺流程图 ■ (5)OGS结构电容式触摸屏制造工艺流程图 ■ (6)液晶显示模组制造工艺流程图 ■ (7)TP+LCM全贴合一体化产品制造工艺流程图 ■ 三、主要产品的生产和销售情况 (一)主要产品的产能、产量、产能利用率、销量、产销率 报告期内公司主要产品的产能、产量和销售情况如下表所示: ■ 注:手机触摸屏的产销量统计时,包含了触控显示一体化产品中的触摸屏产销量。 1、产能利用率情况 手机触摸屏的产能利用率在2012年时较高,为配合后续市场需求,公司2013年大幅增加产能,导致产能利用率下降,2014年产能利用率稳步提升,后续随着业务发展产能利用率将进一步提高。 中大尺寸触摸屏是自2013年开始试生产,为集中服务好TCL(市场导入要求高),产能利用率较低,后续随着市场开拓力度的加大,产能利用率将上升到正常水平。 液晶显示模组是2014年公司为配合触控显示一体化产品而投资生产的新产品,由于触控显示一体化产品中采用公司自产显示模组需要经客户的相关审验,因此目前产能利用率较低。公司计划后续触控显示一体化产品尽可能采用自产显示模组,显示模组的产销量将快速增加。 触控显示一体化产品2014年的产能利用率为68.2%,随着触摸屏逐渐向触控显示一体化转变,后续产能利用率将稳步提升。 高清广角镜头和平面保护镜片一般为配比销售,目前公司产能利用率为70%左右,主要是由于客户相对集中,且季节性分布明显,上半年为销售淡季,产能利用率低。 2、产销率情况 公司产销率低于100%主要原因为:期末存在未交货库存商品,且由于第四季度是订单密集时期,未交货商品数量相对较多;公司部分触摸屏生产完成后未立即对外销售,需要采购模组进行贴合工序,形成触控显示一体产品,因此期末有部分触摸屏库存商品。 (二)主要产品的销售情况 1、公司主营业务收入按产品分类如下表所示: ■ 公司报告期内主营业务收入增长明显,由2012年的66,971.29万元上升到2014年的143,482.80万元,年均复合增长率为46.37%。 报告期内触控显示业务营业收入由42,348.04万元上升到102,683.22万元,业务规模扩大较多,产品线逐渐丰富,由单一的手机触摸屏向触摸屏、液晶显示模组、触控显示一体化产品多品种发展。同时根据客户要求,公司触摸屏的业务量部分向触控显示一体化产品转移,产品收入结构出现较大变化。 报告期内光学镜头业务营业收入由16,567.63万元上升到39,621.52万元,总量有明显增长,尤其突出的是高清广角镜头,营业收入由1,645.04万元上升到31,138.20万元,主要由于公司集中优势,在运动相机镜头领域取得突破性发展,成为全球最大的运动相机镜头供应商。报告期内产品结构发生了较大变化,逐步减少其他低附加值的光学镜头数量,主要生产高清广角镜头,提升了产品整体技术含量和盈利能力。 2、公司主营业务收入按地区分如下表所示: ■ 报告期内,公司营业收入境内占比高于境外。2014年境外收入上升幅度较大,主要是由于光学镜头业务境外客户采购量增加较多,以及触控显示业务新增境外大客户。 3、公司主营业务收入按季节分如下表所示: ■ 报告期内,公司营业收入呈明显的季节性分布态势,下半年为销售旺季,特别是四季度收入占比最高,三四季度合计占全年收入超过60%。 (三)前五大客户情况 ■ 报告期内,公司前五大客户相对稳定,主要客户变化的原因是由于公司产品结构调整。公司实行大客户战略,2014年新增大客户ASUSTEK COMPUTER INCORPORATION(华硕)导致前五大客户合计营收占比增加较多。公司积极开拓多元化大客户,不存在对单一客户的依赖。 公司2012年第五大客户深圳市安鸿联兴科技有限公司在报告期内曾是公司子公司联创鸿健的参股股东,持有联创鸿健13.50%的股权。2014年12月,深圳市安鸿联兴科技有限公司将持有的13.50%联创鸿健的股权转让给联创电子,至此其不再与联创电子存在关联关系,具体情况详见本报告书第五节之(五)子公司、分公司及参股公司基本情况。 除上述外,其他前五大客户与公司无关联关系,公司董事、监事、高级管理人员、核心技术人员、主要关联方或持有公司5%以上股份的股东未在前五名客户中拥有权益。 四、主要产品的原材料采购情况 (一)公司主要原材料的采购情况 1、主要原材料的产地 ■ 以上主要原材料供应都较稳定,但进口原材料到货周期较长,为保证正常生产的需要,公司会保持一定量的原材料库存。其它市场供应充足的原材料,公司尽可能在国内寻找稳定可靠的供应商,保证原材料的性价比,同时压低库存减少资金占用。 2、主要原材料的采购价格 ■ 注:公司自2014年开始进行显示模组的小批量生产,报告期内大部分显示模组为外购。 报告期内,公司主要原材料的采购价格整体呈下降趋势,但由于具体采购规格差异及市场供需情况波动,各年平均采购单价略有波动。 ITO Sensor采购单价2012年为336.91元、2013年为249.13元、2014年为83.41元,波动较大,除本身降价因素外,主要由于2012年、2013年采购的ITO Sensor是金属搭桥结构(四层光罩),2014年采购的单层多点(一层光罩)较多,采购价格下降。 (二)前五大供应商情况 报告期内,公司向前五名原材料供应商采购情况如下: ■ 报告期内,公司向前五大供应商的采购额占当期采购总额的比例分别为50.37%、29.10%、31.69%,公司不存在对少数供应商的依赖。前五大供应商采购额占比下降的主要原因是公司产品类别逐渐丰富,采购类别相应增多,降低了采购的集中度。 上述供应商与公司均无关联关系,公司董事、监事、高级管理人员、核心技术人员、主要关联方或持有公司5%以上股份的股东在上述供应商中不占有权益。 五、主要产品的核心技术情况 (一)主要技术 ■ (二)科技成果
■ (三)研发部门情况 1、光学镜头业务 光学镜头业务具有一支由37位核心研发人员组成的研发团队。公司拥有Zemax、Code V光学设计软件,Lighttools照明系统分析设计软件,以及Trioptics IMHR 镜头MTF综合测试平台等光学镜头研发软硬件条件。除为多家企业开发过运动相机光学镜头外,还为日本Sharp开发过投影仪镜头,为TCL开发过警用执法记录仪镜头,为荷兰Philips开发过车载监控镜头,为美国Ambarella开发过IP Camera镜头等产品。 目前光学镜头核心研发团队的构成: ■ 新产品研发流程如下图: ■ 2、触控显示业务 触控显示业务技术研发团队包括131人,构成情况如下: ■ 新产品研发流程图如下: ■ (四)技术保密情况 公司属于技术密集型产业,特别重视技术保密工作,与核心技术人员均签订保密协议,对保密范围、职务成果、保密期限、从业限制、侵权责任等方面都进行明确约定,保证公司核心技术及新品研发成果不流失。 六、质量控制情况 公司一贯重视企业质量体系建设,先后通过了ISO9001质量体系认证、ISO14001环保体系认证。同时为了迎合欧盟ROHS的要求,公司已取得了IECQ有害物质过程管理合格证(QC080000)。公司一直贯彻“质量赢得市场,诚信铸造品质;建设绿色企业,坚持绿色经营”的品质/HSF/环境政策,按照ISO体系认证等要求,制定企业质量与环保方针、目标,开展质量策划、控制、保证和改进等活动,提高企业管理和产品质量,不断地精益求精,完善自我。主要包括: (1)以品质组织为核心,将品质组织放在工厂组织设计中最重要的位置,品质组织部可以横向整合各部门,品质监控体系可以渗透到工厂的各级组织,使品质系统得以监控整个工厂体系。 ■ (3)各车间应严格执行《程序文件》中关于“各级各类人员的质量职责”的规定,履行自己的职责、协调工作。对关键过程按《程序文件》的规定严格控制,对出现的异常情况,要查明原因,及时排除,使质量始终处于稳定的受控状态。 (4)生产现场认真执行“三检”制度,操作人员对自己生产的产品要做到自检,检查合格后,方能转入下工序,下工序对上工序的产品进行检查,不合格产品有权拒绝接收。如发现质量事故时做到责任者查不清不放过、事故原因不排除不放过,预防措施不制定不放过。车间要对所生产的产品质量负责,做到不合格的材料不投产、不合格的半品不转序。 (5)严格划分“三品”(合格品、返修品、废品)隔离区,做到标识明显、数量准确、处理及时。 (6)实行标准化作业,“品质是管理出来的”,按照标准全过程的控制和检查比品管抽验更重要。 (7)做好过程控制,所有员工都必须树立起“质量是企业生存之本”的理念,每道工序都严格按作业指导书要求进行作业。 (8)客户退回产品的处理措施如下图 ■ 七、环境保护及安全生产情况 公司主要从事光学元件、触控显示产品的生产与销售,产品属于高科技电子产品,产品生产环境为无尘车间,生产过程不存在高危险、重污染情况。 公司在日常生产过程中,会产生少量废水、废气,所有生产废水、废气经过综合处理后实现环保排放,政府环保部门定期检查与确认。生产过程中所用到化学废品统一回收,并通过国家认可的专业化学品回收公司进行回收处理。公司严格按照国家法律法规要求实施安全生产制度,对作业者进行劳动保护、设置消防安全设施、定期检查厂区安全,发现问题及时整改。 报告期内,公司未因安全和环保违法违规受到行政处罚。环保设施较齐备且运行正常,主要污染物排放基本达到国家规定的污染物排放标准,未发生环保污染事故,其生产经营活动符合国家有关环境保护的法律、法规和规范性文件的要求,不存在违反环境保护有关法律、法规或规范性文件的情形,亦不存在因违反环境保护有关法律、法规或规范性文件而受到行政处罚的情形。 八、主要资产情况 (一)主要固定资产情况 截至2014年12月31日,公司拥有的固定资产情况如下: 单位:万元 ■ (二)土地使用权及房屋建筑物情况 1、土地使用权 截至本报告书出具日,公司及控股子公司拥有的土地如下: ■ 根据联创电子及下属子公司提供的文件资料及说明,公司于2013年7月24日与万年县国土资源局签署《国有建设用地使用权出让合同》,受让取得位于万年县丰收工业园区的面积为21,294平方米的国有土地使用权。联创万年已付清上述土地使用权出让价款,正在申请办理相关土地使用权证。 2、房屋建筑物 截至本报告书出具日,公司及控股子公司拥有的自有房屋产权如下: ■ (三)知识产权情况 1、注册商标权 联创电子目前拥有商标权3项,已取得了国家商标局核发的《商标注册证》: ■ 2、专利 (1)发明专利 联创电子目前拥有发明专利6项,已取得了国家知识产权局核发的《发明专利证书》或其他地区的专利授权文件: ■ (2)实用新型专利 联创电子目前拥有实用新型专利39项,已取得了国家知识产权局核发的《实用新型专利证书》或其他地区的专利授权文件: ■ 第七节 本次交易涉及股份发行的情况 一、发行股份的定价及依据 (一)发行股份的种类和面值 本次发行股份为境内上市人民币普通股(A 股),每股面值为人民币 1 元。 (二)发行方式及发行对象 本次重组的股票发行方式系非公开发行。发行对象为金冠国际、江西鑫盛等22名机构股东。 (三)发行股份的定价原则及发行价格 根据《重组管理办法》相关规定,上市公司发行股份的价格不得低于市场参考价的90%。市场参考价为本次发行股份购买资产的董事会决议公告日前20个交易日、60个交易日或者120个交易日的公司股票交易均价之一。 交易均价的计算公式为:董事会决议公告日前若干个交易日公司股票交易均价=决议公告日前若干个交易日公司股票交易总额/决议公告日前若干个交易日公司股票交易总量。 公司发行股份购买资产的发行价格为公司第五届董事会第十五次会议决议公告日前20个交易日股票交易均价的90%,即7.65元/股。该定价是交易双方按照相关法律法规的规定平等协商确定的。 本次发行完成前公司如有派息、送股、资本公积金转增股本等除权除息事项,则将对本次发行价格作相应除权除息处理,本次发行数量也将根据发行价格的情况进行相应调整。 (四)发行数量 根据本次重组标的成交价以及上述发行价格定价原则估算,公司拟向交易对方合计发行股份308,496,721股,交易对方认购本次汉麻产业发行股份的具体情况如下: ■ 注:上述各认购人一致同意经计算所得的对价股份数为非整数股的,同意放弃余数部分所代表的本次发行的股份。 二、本次发行前后主要财务数据比较 根据立信出具的信会师报字【2015】第111541号《审计报告》和信会师报字【2015】第114013号《备考审计报告》,本次发行前后,上市公司主要财务数据如下表: 单位:万元 ■ 三、本次发行前后上市公司股权结构变化 (下转B12版) 本版导读:
发表评论:财苑热评: |















